Deutsch
Zeit: 2026/03/10
Durchsuchen: 49

Die BTS7960B Der Motortreiber-IC ist ein vollständig integrierter Hochstrom-Halbbrückentreiber, der zur Steuerung schwerer Lasten mit effizienter Leistungsschaltung entwickelt wurde.Es gehört zur NovalithIC™-Familie und vereint Leistungs-MOSFETs und eine Treiberschaltung in einem kompakten Gehäuse.Im Inneren des Geräts befinden sich ein p-Kanal-High-Side-MOSFET und ein n-Kanal-Low-Side-MOSFET, sodass der IC den Stromfluss mit niedrigem Einschaltwiderstand und stabilem Betrieb verwalten kann.
Der integrierte Treiber vereinfacht die Steuerung durch die Bereitstellung von Logikpegeleingängen und erleichtert so die Anbindung an Mikrocontroller.Da der High-Side-Schalter einen p-Kanal-MOSFET verwendet, ist für das Design keine Ladungspumpe erforderlich, was zur Reduzierung elektromagnetischer Störungen beiträgt und das Schaltungsdesign vereinfacht.
Der BTS7960B verfügt außerdem über mehrere Schutz- und Überwachungsfunktionen wie Strommessung, Übertemperaturschutz, Überstromschutz, Unterspannungsschutz und Kurzschlussschutz.Es unterstützt außerdem die Anpassung der Anstiegsgeschwindigkeit und die Generierung von Totzeiten und trägt so zur Verbesserung der Schaltleistung und Systemzuverlässigkeit bei.


|
Pin
Nummer |
Pin
Name |
Beschreibung |
|
1 |
IN |
Verwendeter Logikeingang
um den Schaltzustand der MOSFETs zu steuern. |
|
2 |
INH |
Eingabe sperren
Wird verwendet, um den Treiber-IC zu aktivieren oder zu deaktivieren. |
|
3 |
SR |
Anstiegsgeschwindigkeit
Einstellstift zur Steuerung der Schaltgeschwindigkeit und Reduzierung von elektromagnetischen Störungen. |
|
4 |
GND |
Boden
Anschluss für das Gerät und die Steuerschaltung. |
|
5 |
IST |
Aktueller Sinn
Ausgang, der ein Signal proportional zum Laststrom liefert. |
|
6 |
VS |
Stromversorgung
Eingang für die Treiber- und MOSFET-Stufe. |
|
7 |
AUS |
Ausgangspin
mit dem Motor oder der Last verbunden. |
|
8 |
TAB |
Metalllasche
zur Wärmeableitung und Elektrik intern mit der Leistungsstufe verbunden
Verbindung. |
• BTN7960
• BTN7971B
• IFX007T
• VNH2SP30
• VNH5019
• L298N
• MC33926
• DRV8871
• DRV8412
Wie integriert der IC Steuerlogik, Gate-Treiberschaltungen und Leistungs-MOSFET-Schalter in einem Gehäuse?Das Gerät ist in drei Hauptabschnitte unterteilt: die Top-Chip-Steuerschaltung, den High-Side-Basischip und den Low-Side-Basischip.Diese Blöcke arbeiten zusammen, um den Stromfluss durch die Ausgangsstufe zu steuern.

Der Top-Chip enthält die internen Treiber- und Schutzschaltungen.Es empfängt die Eingangssteuersignale wie IN, INH, SR und IS.Dieser Block verwaltet den Gate-Treiber, generiert Totzeiten, passt die Anstiegsgeschwindigkeit an und überwacht die Systemsicherheit durch Unterspannungs-, Überspannungs-, Übertemperatur- und Überstromschutz.Es umfasst außerdem Stromerfassungs- und Diagnosefunktionen zur Überwachung der Last.
Der High-Side-Basischip (HS) und der Low-Side-Basischip (LS) enthalten die integrierten Leistungs-MOSFETs, die die Halbbrückenstruktur bilden.Der High-Side-Schalter verbindet die Last mit der VS-Versorgung, während der Low-Side-Schalter die Last mit Masse (GND) verbindet.Der Ausgangspin (OUT) befindet sich zwischen diesen beiden Schaltern und liefert den gesteuerten Strom an die Last.
|
Parameter |
Spezifikation |
|
Montageart |
Oberflächenmontage |
|
Paket/Koffer |
TO-263-8, D2Pak
(7 Leitungen + Tab), TO-263CA |
|
Anzahl der Pins |
7
|
|
Serie |
NovalithIC™ |
|
Teilestatus |
Veraltet |
|
Betrieb
Temperatur |
−40 °C bis 150 °C
(TJ) |
|
Versorgungsspannung |
5,5 V – 27,5 V |
|
Spannung – Last |
5,5 V – 27,5 V |
|
Versorgungsspannung
(Typisch) |
8 V |
|
Ausgabe
Konfiguration |
Halbbrücke |
|
Ausgangsstrom
pro Kanal |
40 A |
|
Maximale Leistung
Aktuell |
60 A |
|
Ausgangsspitze
Strombegrenzung (nominal) |
62 A |
|
RDS(ein)
(Typisch) |
9 mΩ (LS), 7 mΩ
(HS) |
|
Ruhend
Aktuell |
7 µA |
|
Einschaltzeit |
25,4 µs |
|
Ausschaltzeit |
16 µs |
|
Fehlerschutz |
Aktuell
Begrenzung, Übertemperatur, Kurzschluss, UVLO |
|
Eingebaut
Schutzmaßnahmen |
Vergänglich, vorbei
Strom, Überspannung, thermisch, Unterspannung |
|
Schnittstelle |
Logik |
|
Lasttyp |
Induktiv |
|
Verpackung |
Band und Rolle
(TR) |
|
Feuchtigkeit
Empfindlichkeitsstufe |
MSL 1
(Unbegrenzt) |
|
Terminalformular |
Möwenflügel |
|
Terminal
Position |
Dual |
|
Anzahl
Kündigungen |
7 |
|
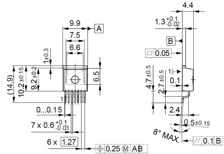
Abmessungen |
Länge: 9,9 mm,
Breite: 9,2 mm |
|
Halogenfrei |
Nein |
|
RoHS-Status |
Nicht RoHS
Konform |
Der BTS7960B unterstützt eine hohe Spitzenstromkapazität von mindestens 33 A und ermöglicht so den Antrieb von Hochleistungslasten bei gleichzeitiger Aufrechterhaltung eines stabilen Betriebs.
Er verfügt über einen typischen Pfadwiderstand von etwa 16 mΩ bei 25 °C, was dazu beiträgt, Leistungsverluste zu reduzieren und die Gesamteffizienz zu verbessern.
Das Gerät verfügt über einen sehr niedrigen Ruhestrom von ca. 7 µA bei 25 °C und ist somit für energieeffiziente Systeme geeignet.
Der Treiber unterstützt den PWM-Betrieb bis zu 25 kHz mit aktivem Freilauf und ermöglicht so eine sanfte und präzise Steuerung des Laststroms.
Eine Schaltmodus-Strombegrenzungsfunktion hilft, die Verlustleistung bei Überstrombedingungen zu reduzieren.
Der IC verfügt über eine Statusflag-Diagnose und eine Stromerfassungsfunktion, die die Überwachung des Laststroms und des Systemstatus ermöglicht.
Der BTS7960B bietet eine Übertemperaturabschaltung mit Verriegelungsverhalten, Überspannungsschutz und Unterspannungsabschaltung für einen sicheren Betrieb.
Die integrierte Treiberschaltung unterstützt Logikpegeleingänge und erleichtert so die Anbindung an Mikrocontroller.
Das Gerät bietet einstellbare Anstiegsgeschwindigkeiten, die zur Optimierung der Schaltleistung und zur Reduzierung elektromagnetischer Störungen (EMI) beitragen.

Das Schaltbild zeigt, wie zwei BTS7960B-Halbbrückentreiber zu einem Hochstrom-H-Brücken-Motorsteuerungssystem kombiniert werden.Jeder BTS7960B steuert eine Seite des Motors durch Umschalten der High-Side- und Low-Side-MOSFETs.Wenn die beiden Treiber zusammenarbeiten, ermöglichen sie den Fluss des Motorstroms in beide Richtungen und ermöglichen so eine Vorwärts- und Rückwärtsdrehung.
Ein Mikrocontroller (XC866) sendet Steuersignale über Logikeingänge wie IN und INH an die BTS7960B-Treiber.Diese Signale bestimmen, welche internen MOSFET-Schalter ein- oder ausgeschaltet werden.Durch Anlegen von PWM-Signalen kann der Mikrocontroller die Drehzahl des Motors steuern, während der Treiber den von der Last benötigten hohen Strom verwaltet.
Die Schaltung enthält außerdem einen Spannungsregler (TLE4278G), der eine stabile Versorgungsspannung für die Steuerelektronik bereitstellt.Am Stromeingang ist eine Verpolungsschutzschaltung angebracht, um das System vor falschen Stromanschlüssen zu schützen.Zusammen gewährleisten diese Komponenten einen sicheren Betrieb, eine zuverlässige Motorsteuerung und Schutz für den Treiber und die Steuerschaltung.
• Hochstrom-DC-Motorsteuerung
• Motorantriebssysteme für die Robotik
• Motorsteuerung für Elektroroller
• Automatisierte Industriemaschinen
• Motorisierte Aktuatoren und Positionierungssysteme
• Motorsteuerungssysteme für Kraftfahrzeuge
• Treiber für Förderbandmotoren
• Motorisierte Smart-Home-Geräte
• Elektrische Werkzeuge und Geräte
• DIY-Motorsteuerungsprojekte mit Mikrocontrollern
|
Funktion |
BTS7960B |
BTN7960 |
VNH2SP30 |
L298N |
|
Fahrertyp |
Halbbrücke |
Halbbrücke |
Vollständige Brücke |
Duale H-Brücke |
|
Betrieb
Spannung |
5,5 – 27 V |
5,5 – 27 V |
5,5 – 16 V |
5 – 46 V |
|
Kontinuierlich
Aktuell |
~40 A |
~43 A |
~30 A |
~2 A |
|
Spitzenstrom |
~60 A |
~55 A |
~41 A |
~3 A |
|
PWM-Frequenz |
Bis zu 25 kHz |
Bis zu 25 kHz |
Bis zu 20 kHz |
Bis zu ~25 kHz |
|
Technologie |
Integriert
MOSFET
|
Integriert
MOSFET |
Integriert
MOSFET |
Bipolar
Transistor |
|
Schutz
Funktionen |
Überstrom,
thermisch, Unterspannung |
Überstrom,
thermisch |
Thermal,
Überstrom |
Begrenzt
Schutz |
|
Effizienz |
Hoch (niedrig
RDS(ein)) |
Hoch |
Hoch |
Geringere Effizienz |

Infineon Technologies AG Das Unternehmen nutzt fortschrittliche Halbleiterfertigungsprozesse und Leistungs-MOSFET-Technologien, um zuverlässige Hochstromtreiber herzustellen.Der BTS7960B ist mit vertikaler MOSFET-Technologie ausgestattet, die einen niedrigen Einschaltwiderstand und eine effiziente Stromverarbeitung ermöglicht.Infineon integriert einen p-Kanal-High-Side-MOSFET, einen n-Kanal-Low-Side-MOSFET und eine Treibersteuerschaltung durch Multi-Chip-Integrationstechniken in einem einzigen Gehäuse.Diese Chips werden mithilfe fortschrittlicher Verpackungsmethoden auf einem gemeinsamen Leadframe montiert, um die thermische Leistung und elektrische Zuverlässigkeit zu verbessern.
Ja.Der BTS7960B kann problemlos mit Arduino und anderen Mikrocontrollern verbunden werden, da er Eingangssignale auf Logikebene unterstützt.Es wird häufig mit PWM-Signalen von Mikrocontrollern verwendet, um Motorgeschwindigkeit und -richtung zu steuern.
Der BTS7960B ist hauptsächlich für die Steuerung von Hochstrom-Gleichstrommotoren und induktiven Lasten konzipiert.Er kann große Motoren antreiben, die im Vergleich zu vielen herkömmlichen Motortreiber-ICs einen höheren Strom benötigen.
Ein Halbbrückentreiber steuert den Strom durch eine Last in eine Richtung.Zwei Halbbrückentreiber bilden zusammen eine vollständige H-Brücke, die es einem Motor ermöglicht, sich sowohl vorwärts als auch rückwärts zu drehen.
Der IC verfügt über einen internen thermischen Abschaltkreis.Wenn die Temperatur über einen sicheren Grenzwert ansteigt, deaktiviert das Gerät automatisch den Ausgang, um Schäden zu verhindern.
Mit dem Anstiegsraten-Pin können Entwickler die Schaltgeschwindigkeit der MOSFETs steuern.Die Anpassung trägt dazu bei, elektromagnetische Störungen (EMI) zu reduzieren und die Systemstabilität zu verbessern.
Ja.Entwickler kombinieren häufig zwei oder mehr BTS7960B-Treiber, um Hochleistungs-H-Brücken-Motorsteuerungssysteme für größere Motoren zu erstellen.
Das Gerät arbeitet typischerweise mit Versorgungsspannungen zwischen 5,5 V und 27,5 V und eignet sich daher für viele Motorsteuerungssysteme.
Durch die Verwendung eines P-Kanal-MOSFET ist keine Ladungspumpenschaltung erforderlich, was das Design vereinfacht und Schaltgeräusche reduziert.
Der IS-Pin gibt ein Signal proportional zum Laststrom aus, sodass Entwickler den Motorstrom überwachen und Überlastzustände erkennen können.
Der BTS7960B ist typischerweise in einem oberflächenmontierbaren TO-263-Gehäuse (D2PAK) erhältlich, das eine effiziente Wärmeableitung für den Hochstrombetrieb unterstützt.
CAP ALUM 220UF 20% 25V SMD
CAP CER 0.22UF 6.3V X5R 0402
CAP CER 0.022UF 50V X7R 0805
CAP CER 4700PF 50V C0G/NPO 1210
PWR ENT MOD RCPT IEC320-C14 PNL
FIXED IND 2.2UH 1.27A 98MOHM SMD
DC DC CONVERTER 12V 50W
MAGNETIC SWITCH UNIPOLAR SOT23W
TOSHIBA QFN8
TOSHIBA TSOP
ICS952007ART ICS
KINGSTON BGA



