Deutsch
Zeit: 2026/01/22
Durchsuchen: 799

Der Gassensor MQ-2 ist ein kostengünstiges Gerät zur Erkennung brennbarer Gase und Rauch in der Luft.Aufgrund seines einfachen Designs und seiner breiten Verfügbarkeit wird es häufig in Gasleckalarmen, Brandmeldesystemen und Mikrocontroller-basierten Projekten eingesetzt.Der Sensor reagiert auf Gase wie Flüssiggas, Methan, Propan, Wasserstoff, Alkoholdampf, Kohlenmonoxid und Rauch und eignet sich daher für die allgemeine Gas- und Sicherheitsüberwachung.
Die meisten MQ-2-Sensormodule bieten sowohl analoge als auch digitale Ausgänge.Der Analogausgang zeigt die relative Gaskonzentration an, während der Digitalausgang auslöst, wenn die Gaskonzentration einen voreingestellten Schwellenwert überschreitet.Um stabile und zuverlässige Messwerte zu gewährleisten, ist eine kurze Vorheizzeit erforderlich.
Der MQ-2 arbeitet mit einem Metalloxid-Halbleiter-Sensormechanismus (MOS).Sein Sensorelement besteht aus Zinndioxid (SnO₂), das auf einem Aluminiumoxid-Keramiksubstrat abgeschieden ist und durch eine interne Heizung erhitzt wird.In sauberer Luft adsorbieren Sauerstoffmoleküle auf der erhitzten SnO₂-Oberfläche, fangen freie Elektronen ein und erhöhen den Widerstand des Sensors.
Wenn brennbare oder reduzierende Gase vorhanden sind, reagieren sie mit dem adsorbierten Sauerstoff und geben die eingefangenen Elektronen wieder an das Sensormaterial ab.Dadurch wird der Widerstand des Sensors verringert und der Stromfluss erhöht, was zu einem messbaren Anstieg der Ausgangsspannung führt.Diese Spannungsänderungen ermöglichen es externen Schaltkreisen, das Vorhandensein von Gas zu erkennen und die relative Gaskonzentration abzuschätzen.

|
Pin
Etikett |
Pin
Name |
Beschreibung |
|
H |
Heizungsstift 1 |
Liefert Strom
zum internen Heizelement |
|
H |
Heizungsstift 2 |
Heizungsrücklauf
Stift |
|
A |
Elektrode A |
Spüren
Elektrode (intern verbunden) |
|
A |
Elektrode A |
Duplizieren
Messelektrode |
|
B |
Elektrode B |
Ausgangselektrode
(intern verbunden) |
|
B |
Elektrode B |
Doppelte Ausgabe
Elektrode |
|
Pin
Nein. |
Pin
Name |
Beschreibung |
|
1 |
VCC (+5V) |
Stromversorgung
Eingabe |
|
2 |
GND |
Boden |
|
3 |
DOUT |
Digitaler Ausgang
(schwellenwertbasiert) |
|
4 |
AOUT |
Analoger Ausgang
(Gaskonzentrationsniveau) |

• Klemmring – Der Klemmring sichert das Metallgeflecht und die Innenteile des Sensors.Es hält die Struktur stabil und stellt sicher, dass alle Komponenten während des Betriebs ausgerichtet bleiben.
• Anti-Explosions-Netzwerk (Metallgeflecht) – Dieses Edelstahlgeflecht verhindert, dass Funken im Inneren des Sensors brennbare Gase außerhalb entzünden.Es fungiert auch als Schutzfilter gegen Staub und Schmutz.
• Verbindungsbeine (Stifte) – Die Stifte stellen elektrische Verbindungen zwischen dem MQ-2-Sensor und dem externen Schaltkreis her.Dazu gehören Heizstifte (H) und Signalstifte (A und B) für den Gasmessausgang.
• Sensorelement – Das Sensorelement ist das Herzstück des MQ-2-Sensors.Es verändert den elektrischen Widerstand, wenn es Gasen wie Flüssiggas, Methan oder Rauch ausgesetzt wird, und ermöglicht so die Gaserkennung.
• Keramik auf Aluminiumoxidbasis (Al₂O₃) – Dieses Keramikrohr trägt das Sensorelement und die Heizung.Es bietet eine hervorragende elektrische Isolierung und hält hohen Temperaturen im Betrieb stand.
• Zinndioxid (SnO₂)-Beschichtung – Die SnO₂-Schicht ist das gasempfindliche Material.Wenn Gasmoleküle mit dieser Beschichtung interagieren, ändert sich ihre Leitfähigkeit, was der Sensor in ein elektrisches Signal umwandelt.
• Nickel-Chrom-Heizspule – Die Heizspule erhöht die Temperatur des Sensorelements auf den optimalen Arbeitsbereich.Für eine genaue und stabile Gasdetektion ist eine ordnungsgemäße Erwärmung unerlässlich.
• Platindrähte – Platindrähte verbinden die Sensorschicht und die Heizung mit den externen Pins.Platin wird verwendet, weil es eine hohe Stabilität sowie Hitze- und Korrosionsbeständigkeit aufweist.

Dies ist der Hauptsensor, der Gase wie Flüssiggas, Methan, Wasserstoff und Rauch erkennt.Es ändert den Widerstand, wenn Gas vorhanden ist, was das Modul in Ausgangssignale umwandelt.
Mit diesem kleinen verstellbaren Knopf können Sie einstellen, wie empfindlich der Sensor auf Gas reagiert.Durch Drehen ändert sich der Gasschwellenwert für den Digitalausgang.
Der LM393 vergleicht das Sensorsignal mit der eingestellten Schwelle vom Potentiometer.Wenn der Gaspegel den eingestellten Grenzwert überschreitet, wird der digitale Ausgang ausgelöst.
Diese LED leuchtet, wenn das Modul ordnungsgemäß mit Strom versorgt wird.Es zeigt lediglich an, dass Spannung an der Platine anliegt.
Diese LED leuchtet auf, wenn die Gaskonzentration den voreingestellten Schwellenwert überschreitet.Es gibt eine schnelle visuelle Warnung, ohne dass ein Mikrocontroller erforderlich ist.
Der analoge Pin gibt eine kontinuierliche Spannung aus, die sich je nach Gaskonzentration ändert.Es eignet sich zur Messung relativer Gaskonzentrationen.
Der digitale Pin gibt HIGH oder LOW aus, je nachdem, ob der Gaspegel über dem eingestellten Schwellenwert liegt.Es wird häufig für Alarme und einfache Erkennung verwendet.
Versorgt das Modul mit Strom, normalerweise 5 V.Dadurch werden sowohl die Heizung als auch die Bordelektronik mit Strom versorgt.
Stellt die Erdungsreferenz für das Modul bereit und muss mit der Systemerde verbunden werden.
|
Sensor
Modell |
Hauptsächlich
Gase erkannt |
Erkennung
Konzentrieren Sie sich |
Typisch
Erkennungsbereich (ppm) |
Betrieb
Spannung |
Heizung
Spannung |
|
MQ-2 |
Methan, Flüssiggas,
Butan, Rauch |
Brennbare Gase |
300 – 10.000 |
5V |
5V |
|
MQ-3 |
Alkohol,
Ethanol, Rauch |
Alkoholdämpfe |
25 – 500 |
5V |
5V |
|
MQ-4 |
Methan, CNG |
Erdgas |
300 – 10.000 |
5V |
5V |
|
MQ-5 |
Erdgas, Flüssiggas |
Brennbar
Gase |
200 – 10.000 |
5V |
5V |
|
MQ-6 |
Flüssiggas, Butan |
Gasaustritt |
300 – 10.000 |
5V |
5V |
|
MQ-7 |
Kohlenmonoxid
(CO) |
Giftiges Gas |
20 – 2.000 |
5V |
5V |
|
MQ-8 |
Wasserstoff |
Wasserstoffgas |
100 – 10.000 |
5V |
5V |
|
MQ-9 |
CO, brennbar
Gase |
Mischgase |
10 – 10.000 |
5V |
5V |
|
MQ-131 |
Ozon (O₃) |
Luftqualität |
10 ppb – 2 ppm |
5V |
5V |
|
MQ-135 |
NH₃, Benzol,
Alkohol, Rauch |
Luftqualität |
10 – 1.000 |
5V |
5V |
|
MQ-136 |
Schwefelwasserstoff
(H₂S) |
Giftiges Gas |
1 – 200 |
5V |
5V |
|
MQ-137 |
Ammoniak (NH₃) |
Ammoniakgas |
5 – 500 |
5V |
5V |
|
MQ-138 |
Benzol,
Toluol, Alkohol |
VOCs |
1 – 500 |
5V |
5V |
|
MQ-214 |
Methan, natürlich
Gas |
Treibgas |
300 – 10.000 |
5V |
5V |
|
MQ-216 |
Erdgas,
Kohlegas |
Industriegas |
300 – 10.000 |
5V |
5V |
|
MQ-303A |
Alkohol,
Ethanol, Rauch |
Alkoholdämpfe |
20 – 500 |
5V |
5V |
|
MQ-306A |
Flüssiggas, Butan |
Gasaustritt |
300 – 10.000 |
5V |
5V |
|
MQ-307A |
Kohlenmonoxid |
CO-Gas |
10 – 2.000 |
5V |
5V |
|
MQ-309A |
CO, brennbar
Gase |
Mischgase |
10 – 10.000 |
5V |
5V |
|
Kategorie |
Parameter |
Spezifikation |
|
Allgemein |
Modell Nr. |
MQ-2 |
|
Sensortyp |
Halbleiter
(MOS) |
|
|
Standard
Kapselung |
Bakelit (Schwarz
Bakelit) |
|
|
Detektionsgas |
Brennbares Gas
und rauchen |
|
|
Zielgase |
Flüssiggas, Butan,
Propan, Methan, Wasserstoff, Alkohol, Rauch |
|
|
Erkennung
Konzentration |
300 – 10.000 ppm
(brennbare Gase) |
|
|
Elektrisch |
Schleifenspannung |
≤ 24 V DC |
|
Heizspannung |
5,0 V ± 0,2 V
(AC oder DC) |
|
|
Lastwiderstand |
Einstellbar |
|
|
Heizung
Widerstand |
31 Ω ± 3 Ω (Raum
Temperatur) |
|
|
Heizleistung
Verbrauch |
≤ 900 mW |
|
|
Typische Heizung
Aktuell |
≈ 150 mA |
|
|
Spüren |
Spüren
Widerstand |
2 kΩ – 20 kΩ (bei
2000 ppm C₃H₈) |
|
Empfindlichkeit |
Rs (Luft) / Rs
(1000 ppm Isobutan) ≥ 5 |
|
|
Steigung |
≤ 0,6 (R₅₀₀₀ppm
/ R₃₀₀₀ppm CH₄) |
|
|
Reaktionszeit |
≤ 10 s (typisch) |
|
|
Erholungszeit |
≤ 30 s (typisch) |
|
|
Umwelt |
Betrieb
Temperatur |
−10 °C bis +50 °C |
|
Lagerung
Temperatur |
−20 °C bis +70 °C |
|
|
Betrieb
Luftfeuchtigkeit |
≤ 95 % relative Luftfeuchtigkeit
(nicht kondensierend) |
|
|
Standardtest
Bedingungen |
20 °C ±2 °C;65 %
±5 % relative Luftfeuchtigkeit |
|
|
Schaltung
|
Standardtest
Schaltung |
Vc: 5,0 V ±0,1
V;Vh: 5,0 V ±0,1 V |
|
Ausgabetyp |
Analog
Widerstandsänderung |
|
|
Mechanisch |
Sensordurchmesser |
~18 mm |
|
Sensorhöhe |
~17 mm |
|
|
Pin-Anzahl |
6 Stifte |
|
|
Gewicht |
~5 g |
|
|
Andere |
Vorheizzeit |
≥ 48 Stunden
(Erstgebrauch) |
Der MQ-2-Gassensor wird mit einer standardmäßigen 5-V-Versorgung betrieben und ist daher vollständig kompatibel mit gängigen Mikrocontrollern wie Arduino, ESP32 (mit geeigneter Schnittstelle) und Raspberry Pi-Modulen.Dies vereinfacht das Leistungsdesign und die Integration in DIY- und Embedded-Projekte.
Dieser Sensor kann Flüssiggas, Alkohol, Propan, Wasserstoff, Kohlenmonoxid und Methan erkennen.Aufgrund seiner breiten Empfindlichkeit eignet es sich für Gasleckalarme, Rauchmelder und allgemeine Sicherheitsüberwachung, wenn mehrere brennbare Gase vorhanden sein können.
Der Analogausgang liefert einen kontinuierlichen Spannungspegel, der sich mit der Gaskonzentration ändert.Dadurch können Benutzer die relativen Gaskonzentrationen abschätzen und eine Kalibrierung für präzisere Überwachungsanwendungen durchführen.
Der digitale Ausgang schaltet HIGH oder LOW, wenn die Gaskonzentration einen voreingestellten Schwellenwert überschreitet.Dies ist ideal für einfache Alarmsysteme, die lediglich eine Gaserkennung erfordern.
Das Modul kann nach einer kurzen Aufwärmphase erste Messwerte liefern, was schnellere Tests und Demonstrationen ermöglicht, obwohl sich die Langzeitstabilität durch längeres Vorheizen verbessert.
Der MQ-2 kann entweder als analoger Sensor für variable Messwerte oder als digitaler Sensor für schwellenwertbasierte Warnungen verwendet werden und bietet so Flexibilität für unterschiedliche Projektanforderungen.
Ein integriertes Potentiometer ermöglicht eine einfache Einstellung der digitalen Ausgangsempfindlichkeit, sodass Benutzer den Triggerpegel je nach Umgebungsbedingungen feinabstimmen können.
Der Sensor zeigt eine hohe Empfindlichkeit bei einem breiten Spektrum brennbarer Gase und eignet sich daher effektiv für die frühzeitige Erkennung von Gaslecks.
Der MQ-2 reagiert besonders empfindlich auf LPG, Propan und Wasserstoff, die in Haushalten und Industrieumgebungen übliche Brennstoffe sind.
Der aus langlebigen Materialien und einer einfachen Innenstruktur gefertigte MQ-2 bietet eine lange Lebensdauer bei sehr geringen Kosten und ist ideal für den Masseneinsatz und den Einsatz im Bildungsbereich.
Für den Betrieb des Sensors sind nur minimale externe Komponenten erforderlich, was die Schaltungskomplexität reduziert und die Verwendung für Anfänger erleichtert.
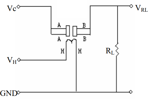
Die MQ-2-Gassensor-Testschaltung zeigt, wie der Sensor mit Strom versorgt wird und wie sein gasempfindlicher Widerstand in eine messbare Spannung umgewandelt wird.Der Stromkreis ist in zwei Hauptteile unterteilt: den Heizkreis und den Signalkreis (Sensorkreis).Jeder Teil hat eine andere Rolle bei der ordnungsgemäßen Gaserkennung.
Der Heizkreis nutzt die VH-Versorgung, um die interne Heizung (Pins H–H) mit Strom zu versorgen.Diese Heizung erhöht die Temperatur des Sensormaterials, sodass Gasmoleküle damit reagieren können.Ohne diese Erwärmung würde der Sensor nicht richtig auf brennbare Gase reagieren.Der Heizkreis ist auf GND bezogen und vervollständigt so den Strompfad.

Der Messkreis besteht aus dem internen Messwiderstand (Rs, zwischen den Pins A und B) und dem externen Lastwiderstand (RL).Über diese Reihenschaltung wird eine Versorgungsspannung (Vc) angelegt.Wenn sich die Gaskonzentration ändert, ändert sich der Widerstand von Rs, was zu einer entsprechenden Änderung der Spannung an RL führt.
Die Ausgangsspannung (VRL) wird am Lastwiderstand RL gemessen.Wenn die Gaskonzentration zunimmt, nimmt Rs typischerweise ab, was zu einem Anstieg von VRL führt.Diese Spannung ist das nutzbare Signal, das von einem Analogeingang eines Mikrocontrollers gelesen oder mit einem Schwellenwert zur Gasdetektion verglichen werden kann.
Im Diagramm ist das MQ-2-Gassensormodul über vier grundlegende Anschlüsse mit einem Arduino Uno verbunden: Strom, Masse, Analogausgang und optionaler Digitalausgang.Der VCC-Pin des MQ-2-Moduls ist mit dem 5V-Pin des Arduino verbunden, während der GND-Pin mit dem Arduino-GND verbunden ist.Diese beiden Anschlüsse versorgen die interne Heizung des Sensors und die integrierten Schaltkreise mit Strom, sodass der Sensor ordnungsgemäß funktioniert.
Der analoge Ausgangspin (A0) des MQ-2-Moduls ist mit einem der analogen Eingangspins des Arduino verbunden, beispielsweise A0.Über diese Verbindung kann der Arduino eine variable Spannung ablesen, die die Gaskonzentration darstellt.Wenn der Gehalt an brennbarem Gas oder Rauch zunimmt, ändert sich auch die Spannung am A0-Pin, und der Arduino wandelt diese Spannung mithilfe seines internen ADC in einen digitalen Wert um.

Wenn eine digitale Erkennung erforderlich ist, kann der digitale Ausgangspin (D0) mit jedem digitalen Eingangspin des Arduino verbunden werden.Der digitale Ausgang wird vom integrierten LM393-Komparator gesteuert und reagiert, wenn die Gaskonzentration einen voreingestellten Schwellenwert überschreitet.Die Einstellung dieser Schwelle erfolgt über das Empfindlichkeitspotentiometer am Sensormodul.
Nach dem Einschalten benötigt der MQ-2-Sensor eine Aufwärmphase, damit die interne Heizspule ihre Betriebstemperatur erreichen kann.Während des Betriebs verändert die Zinndioxid (SnO₂)-Sensorschicht ihren Widerstand, wenn sie Gasen wie Flüssiggas, Methan oder Rauch ausgesetzt wird.Das Modul wandelt diese Widerstandsänderung in ein elektrisches Signal um, das der Arduino kontinuierlich überwacht.
Durch das Auslesen des analogen oder digitalen Ausgangs kann der Arduino Gaskonzentrationswerte in der Software verarbeiten.Basierend auf diesen Messwerten kann das System Alarme auslösen, Werte auf einem Bildschirm anzeigen oder Sicherheitsvorrichtungen aktivieren.Dank dieser einfachen Verkabelung und des einfachen Funktionsprinzips lässt sich der MQ-2-Gassensor problemlos in Arduino-basierte Gasdetektions- und Sicherheitsprojekte integrieren.
• Erkennung von Gaslecks
• Raucherkennung
• LPG-Erkennungssysteme
• Methangasüberwachung
• Propangaserkennung
• Wasserstoffgaserkennung
• Sicherheitsalarmsysteme für zu Hause
• Industriegasüberwachung
• Feuermeldesysteme
• Alarmkreise für Gaslecks
• Projekte zur Überwachung der Luftqualität
• Arduino- und Mikrocontroller-Projekte
• Smart-Home-Sicherheitssysteme
• Schulungskits zur Gasdetektion
• Sicherheitsüberwachung im Labor
• Betreiben Sie den Sensor mit der empfohlenen Versorgungsspannung (typischerweise 5 V)
• Warten Sie vor der Messung ausreichend Zeit zum Aufwärmen
• Nutzen Sie das eingebaute Metallgitter als Zündschutz
• Installieren Sie den Sensor an einem gut belüfteten Ort
• Vermeiden Sie die direkte Einwirkung hoher Gaskonzentrationen über längere Zeiträume
• Halten Sie den Sensor von Wasser, Feuchtigkeit und Öldämpfen fern
• Berühren Sie während des Betriebs nicht das Sensorelement oder das Metallgitter
• Sorgen Sie für eine ordnungsgemäße Erdung des Stromkreises
• Vermeiden Sie die Verwendung des Sensors in der Nähe von offenen Flammen oder Funken
• Kalibrieren Sie den Sensor vor der Verwendung in sauberer Luft
• Schalten Sie die Stromversorgung aus, bevor Sie Anschlüsse verkabeln oder ändern
• Befolgen Sie die Handhabungs- und Lagerungsrichtlinien des Herstellers
|
Funktion |
MQ-2
Gassensor |
MQ-135
Gassensor |
|
Primär
Erkennungsziel |
Brennbar
Gase (LPG, Propan, Methan, Wasserstoff) und Rauch |
Luftqualität
Gase (NH₃, NOx, Alkohol, Benzol, Rauch, CO₂-Abschätzung) |
|
Sensormaterial |
Zinndioxid
(SnO₂) |
Zinndioxid
(SnO₂) mit breiterer Empfindlichkeit |
|
Bester Anwendungsfall |
Gasaustritt
Erkennung und Warnung vor brennbaren Gasen |
Luftqualität
Überwachung und Verschmutzungserkennung |
|
Ausgabetyp |
Analoge Spannung
(+ digital mit Komparatormodul) |
Analoge Spannung |
|
Digitaler Ausgang
Verfügbar? |
Ja (bei Verwendung
mit Komparatormodul) |
Normalerweise nein
(nur analog) |
|
Typisch
Betriebsspannung |
5V |
5V |
|
Aufwärmzeit |
~24–48 Stunden für
beste Genauigkeit |
~24–48 Stunden für
beste Genauigkeit |
|
Empfindlichkeit gegenüber
Rauch |
Gut |
Gut, aber mehr
allgemein |
|
Empfindlichkeit gegenüber
Brennbare Gase |
Hoch |
Mäßig |
|
Empfindlichkeit gegenüber
Schädliche Luftgase (z. B. NH₃, NOx, Benzol) |
Niedrig |
Hoch |
|
Ausgabebereich |
Analog 0-5V |
Analog 0-5V |
|
Kalibrierung
Benötigt? |
Ja, für
genaue Schwelle |
Ja, für
genaue Luftqualitätskartierung |
|
Typisch
Anwendungen |
Gasmelder, Flüssiggas
Lecksuchgeräte, Wasserstoffdetektion |
Innenluft
Qualitätsprojekte, Verschmutzungssensoren, Atemanalyse |
|
Modul
Verfügbarkeit |
Ja (mit LM393
Komparator und Poti) |
Ja (normalerweise
nur analog) |
|
Reaktionsgeschwindigkeit |
Schnell |
Mäßig |
|
Präzision für
Luftqualität |
Niedrig |
Höher |
|
Am besten für Arduino
Projekte? |
Ja, einfaches Gas
Leckerkennung |
Ja, allgemeine Luft
Qualitätsüberwachung |
|
Typischer Preis |
Niedrig |
Etwas höher |


Der MQ-2-Gassensor eignet sich zur Erkennung brennbarer Gase und Rauch in einer Vielzahl von Anwendungen, von einfachen Alarmsystemen bis hin zu mikrocontrollerbasierten Sicherheitsprojekten.Durch das Verständnis des Sensorprinzips, der internen Struktur, der Pinbelegungsoptionen, der Modulhardware und der elektrischen Eigenschaften können Benutzer den Sensor effektiver integrieren und zuverlässige Ergebnisse erzielen.Eine ordnungsgemäße Vorwärmung, Kalibrierung und sichere Betriebspraktiken sind für eine stabile Leistung und eine lange Lebensdauer unerlässlich.
Bei ordnungsgemäßer Verwendung, stabiler Stromversorgung und korrekter Vorwärmung hält der MQ-2-Sensor in der Regel 2–5 Jahre, abhängig von der Einwirkung aggressiver Gase und den Betriebsbedingungen.
Nein. Der MQ-2 ist nicht für eine genaue CO₂-Messung ausgelegt.Auf einige Gase kann es indirekt reagieren, für eine präzise CO₂-Überwachung werden jedoch spezielle CO₂-Sensoren empfohlen.
Für ein konsistentes Widerstandsverhalten muss sich das Sensormaterial bei hohen Temperaturen stabilisieren.Das anfängliche Vorwärmen verbessert die Genauigkeit, Wiederholbarkeit und Langzeitstabilität.
Ja, aber Pegelverschiebung oder Spannungsteiler werden empfohlen, da das MQ-2-Modul 5-V-Signale ausgibt, die 3,3-V-Mikrocontroller beschädigen können.
Feuchtigkeit, Alkoholdämpfe, Reinigungschemikalien, Temperaturschwankungen und schlechte Belüftung können zu falschen oder instabilen Messwerten führen.
Platzieren Sie es in der Nähe potenzieller Gasquellen, aber fern von direktem Luftstrom, Feuchtigkeit oder Wärmequellen, um stabile und repräsentative Messwerte zu gewährleisten.
Die Heizung verbraucht relativ viel Strom (bis zu ~900 mW), wodurch der MQ-2 für Anwendungen mit geringem Stromverbrauch oder reinen Batterieanwendungen ohne Energiemanagement ungeeignet ist.
Tauschen Sie den Sensor aus, wenn er trotz Neukalibrierung und ordnungsgemäßem Vorheizen langsam reagiert, instabile Messwerte aufweist oder die Empfindlichkeit verringert.
CAP CER 1200PF 100V X7R 1206
CAP CER 1000PF 500V NP0 1210
CAP CER 4.5PF 50V U2J 0402
CAP TANT 15UF 20% 20V 2312
IC BILATERAL SW 1 X 1:1 14SOP
IC MCU 16BIT 4KB FLASH 14TSSOP
IGBT Modules
GS3771-174-001H CONEXAN
R6811-12/CX4006E CONEXAN
NEC QFP
CAP TANT 10UF 20% 6.3V 1411
SILERGY/ New


