Deutsch
Zeit: 2025/02/7
Durchsuchen: 4,169

Ein stromlimitierender Widerstand ist eine Schutzkomponente, die in Reihe in einem elektrischen Schaltkreis platziert ist, um einen übermäßigen Stromfluss zu verhindern.Ohne sie könnte zu viel Strom empfindliche elektronische Komponenten schädigen.Durch die Erhöhung des Gesamtwiderstands des Schaltkreises trägt dies bei der Aufrechterhaltung eines sicheren Stromniveaus bei.In einigen Fällen trägt es auch zur Spannungsabteilung bei, seine Hauptfunktion besteht jedoch darin, den Stromfluss zu regulieren und Komponenten zu schützen.
Viele elektronische Komponenten haben maximale Stromschwellen, die sie sicher verarbeiten können.Wenn der Strom diese Grenzen übertrifft, können Komponenten überhitzt, sich verschlechtern oder dauerhaft beschädigt werden.Ein stromlimitierender Widerstand stellt sicher, dass der Strom innerhalb sicherer Betriebsniveaus bleibt, wodurch Fehler verhindert und die Lebensdauer der Schaltung verlängert wird.Im Gegensatz zu Lastwiderständen oder Schutzwiderständen, die unterschiedliche Zwecke dienen, ist ein Stromgrenzwiderstand speziell so ausgelegt, dass der Strom die Stromversorgung steuert, anstatt die Leistung zu lindern.Im Falle eines Kurzschlusss in einer mit der Serie verbundenen Komponente verhindert der Widerstand einen unkontrollierten Stromaufwand, wodurch das Risiko weiterer Schäden verringert wird.

Abbildung 2. Strombegrenzungsarbeit
Ein stromlimitierender Widerstand wirkt, indem ein Widerstand in eine Schaltung eingeführt wird, um den Stromfluss einzuschränken und sicherzustellen, dass er die sicheren Werte nicht überschreitet.In Schaltkreisen, in denen eine Spannungsregelung erforderlich ist, hilft sie auch bei der Aufrechterhaltung einer stabilen Stromverteilung.
Beispielsweise arbeiten in einer Spannungsregelungsschaltung der Lastwiderstand (RL) und der Stromgrenzwiderstand (R) zusammen, um den Stromfluss zu steuern.Eine Zenerdiode (D) ist häufig einbezogen, um die Spannungsniveaus zu stabilisieren.Wenn die Eingangsspannung stetig bleibt, aber RL abnimmt, nimmt der Strom durch RL zu, während der Strom durch die Zenerdiode abnimmt.Dieses selbstregulierende Verhalten hilft bei der Aufrechterhaltung der Schaltungsstabilität und schützt die Komponenten.
Eine der häufigsten Anwendungen eines Stromgrenzwiderstands ist der LED -Schutz.LEDs sind sehr empfindlich gegenüber überschüssigem Strom, was zu Überhitzung oder sofortigem Versagen führen kann.Durch die Platzierung eines Stroms eingrenzender Widerstand in Reihe mit einer LED wird der Stromfluss kontrolliert, wodurch Schäden verhindert und sichergestellt werden, dass die LED effizient funktioniert.Diese einfache, aber effektive Technik wird häufig in Beleuchtungsschaltungen, Indikatoranzeigen und elektronischen Geräten verwendet, um die Zuverlässigkeit zu verbessern und die Lebensdauer der LED zu verlängern.

Abbildung 3.. Schalten der Gleichrichterschaltung
In Gleichrichterschaltungen bleibt der Grund zur Gleichberechtigung und des Filterungsprozesses gleich.Das Hauptanliegen tritt auf, wenn zunächst die Stromversorgung auf den Stromkreis angewendet wird.In diesem Moment hat der Kondensator in der Schaltung keine gespeicherte Ladung, was bedeutet, dass seine Spannung zunächst 0V beträgt.Da sich die Spannung eines Kondensators nicht sofort ändern kann, bilden die Anschlüsse der Gleichrichterbrücke (Punkte P und N) während des Einschaltens effektiv einen Kurzschluss.Dies führt zu zwei schwerwiegenden Problemen:
Eindringungsstromflut: Ein signifikanter Eindrehstrom, der durch Kurve ① in der Abbildung 3 dargestellt wird, fließt im Moment des Schaltens durch den Gleichrichter.Dieser hohe Spitzenstrom kann die Gleichrichterkomponenten möglicherweise beschädigen.
Instantane Spannungsabfall: Die Versorgungsspannung an der Eingangsseite fällt momentan auf 0V ab, wie durch Kurve ② dargestellt.
Diese Herausforderungen sind sowohl in Hochspannungs- als auch in niedrigen Spannungsrichterkreisen vorhanden.
In Schaltkreisen mit niedrigem Spannungsgleichrichter wird die Spannung vor der Richtigkeit unter Verwendung eines Transformators abgeschaltet.Die Transformatorwicklung führt eine wesentliche Induktivität ein, die als natürliche Barriere wirkt und den Einbruchstrom effektiv begrenzt.Dies zeigt sich in Abbildung 4 (a), in dem der Inrush -Strom kontrolliert wird (Kurve ①).Zusätzlich fällt die Sekundärspannung des Transformators vorübergehend auf 0V (Kurve ②), aber die Primärseite des Transformators wirkt als Puffer, um sicherzustellen, dass die Spannungsstörung nicht direkt am Raster reflektiert wird, wie durch Kurve ③ gezeigt.

Abbildung 4. Die Differenz zwischen hohen und niedrigen Spannungsrichterschaltungen;
Im Gegensatz dazu lindern Hochspannungsrichterschaltkreise-die in Wechselrichternetzteilen zu finden sind-diese induktive Pufferung.Die direkte Verbindung zum Leistungsnetz bedeutet, dass beim Einschalten der Schaltung der Einschaltstrom signifikant höher ist, wie in Abbildung 4 (b) die Kurve ① angegeben.Darüber hinaus erfährt die Netzspannung selbst einen momentanen Tropfen auf 0V.Dieser sofortige Spannungsabfall kann zu Störungen anderer Geräte führen, die mit demselben Leistungsnetzwerk verbunden sind, was zu einer operativen Instabilität führt.
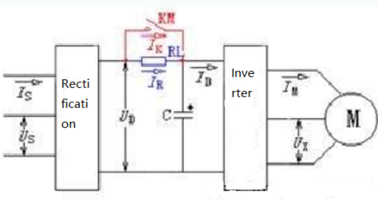
Um diese Probleme zu mildern, wird zwischen der Gleichrichterbrücke und dem Filterkondensator ein stromlimitierender Widerstand (RL) eingeführt, wie in Abbildung 4 (c) gezeigt.Die Aufnahme von RL erfüllt zwei Hauptfunktionen:
Reduzierung des Einschaltstroms: Der Widerstand begrenzt den Stromantrieb, wenn der Schaltkreis anfänglich energetisiert ist, wodurch die Gleichrichterkomponenten geschützt werden.
Minimierung von Spannungsstörungen: Der Spannungsabfall wird durch den Stromlimitwiderstand absorbiert, anstatt direkt an das Netzteilsnetz übertragen zu werden, wodurch das Risiko einer Störung mit anderen Geräten verringert wird.
Sobald der Kondensator einen stabilen Ladungsniveau erreicht hat, wird der Stromlimitwiderstand unter Verwendung eines Kurzschlussgeräts wie einem Thyristor oder einem Schütze umgangen.Die Spezifikationen dieses Schaltgeräts variieren je nach Leistungskapazität des Systems, aber die Konstruktionsüberlegungen für RL selbst bleiben über verschiedene Anwendungen hinweg relativ konsistent.
Bei Wechselrichtern mit hoher Kapazität verarbeitet der Gleichrichter große Ströme, und der Filterkondensator hat eine erhebliche Kapazität.Infolgedessen der stromgrenzende Widerstand (Rl) Muss a haben niedrigerer Widerstandswert und a höhere Leistungsbewertung um einen reibungslosen Betrieb zu gewährleisten.
Zum Beispiel wenn Rl = 50 Ω und die Spitzenleistungspannung ist ULM = 1,41 × 380 V = 537 VDer Einschaltstrom ist leicht darüber 10a (Siehe Abbildung 5).

Wenn der Filterkondensator eine Kapazität von hat 5000 μf, die Ladezeitkonstante ist:
Da dauert die volle Aufladung herum 3 bis 5 Mal Die Zeitkonstante, die Gesamtladezeit ist 0,75 bis 1,25 SekundenMittelung 1s.
Für die meisten Wechselrichter sind diese Ladezeit und der Strom akzeptabel.Um die Fertigung zu vereinfachen, verwenden viele Wechselrichtermodelle die Gleichstrombegrenzende Widerstandspezifikation.
Weil die Rl trägt nur für ungefähr aktuell 1 Sekundeund die Der Spitzenstrom von 10A dauert eine noch kürzere Zeit, A 20W -Leistungsbewertung ist im Allgemeinen genug.
Der Bypass -Schütze (Km) ist wesentlich für Wechselrichterschaltungen.Lassen Sie uns seine Größe mit einem Beispiel untersuchen.
Wenn der Motor a hat 7,5 kW Strombewertung Und 15,4a Strom, der Wechselrichter hat a 13KVA -Kapazität und arbeitet bei 18a.Da die DC -Verbindungskapazität mit der Eingabe des Wechselrichters und mit a übereinstimmen sollte 380V -VersorgungDie durchschnittliche Gleichspannung ist 513V.Der erforderliche Gleichstrom ist:

Für a 75 kW Motor mit 139.7a StromDie Wechselrichterkapazität ist 114kva, 150a.Der erforderliche Gleichstrom ist:

Ein 80A-bewertete Schütze sollte verwendet werden, um diese Last sicher zu behandeln.
Ein stromlimitierender Widerstand soll Schaltkreise durch Kontrolle von Inschubströmen schützen.Unter bestimmten Bedingungen kann es jedoch überhitzt, rauchen oder sogar vollständig scheitern.Im Folgenden sind drei Hauptgründe, die zu solchen Fehlern führen können.
Einer der häufigsten Gründe für das Versagen ist die Auswahl eines Widerstandes mit unzureichender Kapazität.Der Strom, der durch einen limitierenden Widerstand führt, folgt einem exponentiellen Zerfallsmuster, was bedeutet, dass der Spitzenstrom erheblich hoch sein kann, während die Dauer kurz bleibt.Dies ist in Abbildung 4 dargestellt, wo die Beziehung zwischen Widerstand (RL) und Kapazität (CF) untersucht wird.
Schlüsselbeobachtungen aus Abbildung 6:

Abbildung 6. Strömungsladstrom begrenzt
- Graph (A): Ein höherer Widerstandswert (80 Ω) führt zu einem kleineren Spitzenstrom, verlängert jedoch die Gesamtdauer.
- Graph (b): Ein niedrigerer Widerstandswert (40 Ω) führt zu einem höheren Spitzenstrom, der die thermische Leistung des Widerstands beeinflusst.
- Grafik (c): Erhöhung der Kapazität (von 1000 uF auf 2000 µF) erweitert die Ladedauer und beeinflusst das Widerstandsverhalten weiter.
Obwohl es keine strengen Regeln für die RL -Auswahl gibt, lautet eine häufige Empfehlung RL ≥ 50 Ω und Leistungsbewertung (PR) ≥ 50 W, um Fehler zu verhindern.
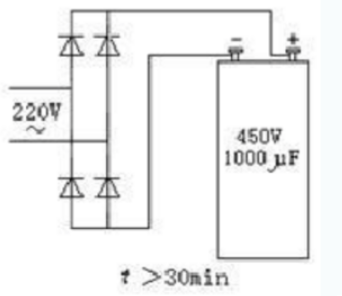
Eine weitere signifikante Ursache für das Versagen des Strombeschränkungswiderstands ist die Verschlechterung des Filterkondensators.Elektrolytkondensatoren neigen dazu, sich im Laufe der Zeit zu verschlechtern, insbesondere wenn sie ungenutzt bleiben.Wenn ein Wechselrichter über längere Zeiträume gespeichert wird, muss der Kondensator vor der Verwendung inspiziert werden.
Symptome des Kondensatorabbaus:
- Erhöhter Leckstrom aufgrund des Elektrolytabbaues.
- Schwellung ("Trommelpack") oder sichtbare Leckage von Elektrolyten.
- Hocheinschöpfungsstrom, wenn er angetrieben wird, und Rauch oder potenzielle Kurzstrecken verursachen.
Wenn ein langwieriger Wechselrichter plötzlich eingeschaltet wird, kann der Filterkondensator Schwierigkeiten haben, eine Ladung zu halten, insbesondere wenn seine Spannung unter 450 V liegt.Diese längere Belastung des aktuell begrenzenden Widerstands kann zu Überhitzung und Versagen führen.
Vorbeugende Maßnahme:

Abbildung 7. Wiederherstellung der Langzeitspeicherkondensator
Um die Kondensatoren wiederherzustellen, die im Speicher gelagert werden, tragen Sie vor dem vollständigen Betrieb etwa 50% ihrer Nennspannung mindestens 30 Minuten lang auf.Dies hilft, den Leckstrom zu stabilisieren, wie in Abbildung 7 gezeigt.
In Schaltkreisen, bei denen ein Bypass -Gerät (z. B. ein Schütze oder Thyristor) verwendet wird, kann der nicht korrekte Betrieb den Stromlimitwiderstand in der Schaltung länger als notwendig lassen.
Die Bypass -Schaltung ist so ausgelegt, dass sie aktiviert ist, sobald der Filterkondensator ausreichend aufgeladen ist (typischerweise über 450 V).Wenn es sich nicht engagiert, bleibt der Widerstand über seine beabsichtigte Dauer hinaus aktiv, was zu übermäßigem Wärmeaufbau führt.

Abbildung 8. Aktionsprüfung des Bypass -Geräts
Diagnosemethode:
- Legen Sie Voltmeter PV1 über den Stromgrenzwiderstand.
- Legen Sie Voltmeter PV2 über den Filterkondensator.
Wenn PV2 eine ausreichende Ladung zeigt, PV1 jedoch immer noch die Spannung registriert, zeigt dies an, dass das Bypass -Gerät nicht funktioniert.
Dieser diagnostische Ansatz ist in Abbildung 8 dargestellt.

Abbildung 9. Anti-Interferenzkondensator
Für den ordnungsgemäßen Betrieb muss eine DC -Schaltung eine Last haben.Wenn es keine Ladung gibt:
- Der aktuell begrenzende Widerstand darf keinen Strom registrieren.
- Spannungslesungen werden unzuverlässig.
- Die Leistungsleistung kann betroffen sein.
Zusätzlich haben elektrolytische Kondensatoren induktive Eigenschaften, was bedeutet, dass sie keine transiente Interferenzspannung effizient absorbieren können.Dies kann zu Überspannungsauslöschen oder Instabilität im System führen.
Um die Störung zu mildern, wird der Kondensator C0 verwendet, um Spannungsschwankungen zu stabilisieren, wie in Abbildung 9 gezeigt.
Ein Stromlimitwiderstand (RS) ist für den stabilen Schaltungsbetrieb von wesentlicher Bedeutung.Es dient zwei Schlüsselfunktionen:
Lieferung des Betriebsstroms an die Zener Diode (VZ) - stellt sicher, dass VZ den erforderlichen Strom zur Regulierung der Spannung erhält.
Verhinderung von Überstromschäden - begrenzt übermäßigen Strom, um VZ vor Überhitzung oder Misserfolg zu schützen.
Der Widerstand muss unter zwei extremen Spannungsbedingungen ordnungsgemäß funktionieren:
Fall 1: Minimale Eingangsspannung (VS = VS(Min))
Bei der niedrigsten Eingangsspannung zeichnet die Last den maximalen Strom (IL = IL(Max)).RS muss genug Strom ermöglichen, um VZ in Betrieb zu halten, ohne es zu verhungern.
Fall 2: Maximale Eingangsspannung (VS = VS(Max))
Bei der höchsten Eingangsspannung zeichnet die Last den Mindeststrom (IL = IL(Min)).RS muss überschüssigen Strom einschränken, um eine Beschädigung von VZ zu verhindern.
Die Auswahl von RS erfordert das Ausgleich dieser beiden Bedingungen.Wenn RS zu hoch ist, erhält VZ möglicherweise nicht genug Strom bei niedriger Spannung.Wenn RS zu niedrig ist, könnte übermäßiger Strom bei Hochspannung vz schädigen.Durch die sorgfältige Berechnung von RS bleibt die Schaltung stabil und schützt sowohl VZ als auch die Last unter unterschiedlichen Spannungsbedingungen.
Unabhängig davon, ob in LEDs oder Zener -Dioden verwendet wird, verhindert der richtige Widerstand übermäßigen Strom, der die Komponenten beschädigen kann.
Um einen Widerstand für eine LED auszuwählen, müssen Sie seine Betriebsspannung und den Strom wissen.Unterschiedliche LED -Farben haben unterschiedliche Spannungsanforderungen:
- - Rote LED: ~ 2.0v
- - Grün, blau, weiße LED: ~ 3.2v
Eine Standard -0805 -LED arbeitet typischerweise bei 5 mA.
Für eine rote LED, die von einer 4,2 -V -Batterie angetrieben wird, wird der Widerstandswert berechnet als:

Um einen Rand zuzulassen, können Sie stattdessen einen 330 Ω -Widerstand verwenden.
Schnelle Berechnungsmethode
- Verwenden Sie das OHM -Gesetz:

- Überprüfen Sie typische LED -Spannungen:
Weiß/blau: 3,2 V @ 20 mA
Rot/Gelb: 2.0v @ 20 mA
- Betrachten Sie den maximalen Strom:
Standard -LEDs: 20 mA
Hochleistungs-LEDs: 350 mA oder mehr
- Beispiel für eine weiße LED (3,2 V @ 20 mA), die von 12 V angetrieben wird:

Halten Sie für eine längere LED -Lebensdauer den Laufstrom unter die maximale Bewertung, etwa 15 mA für reguläre Dioden.
Eine Zener -Diode fungiert als Spannungsregler, wodurch ein stabiler Ausgang beibehält, auch wenn sich die Eingangsspannung oder der Laststrom ändert.Ein stromlimitierender Widerstand sorgt dafür, dass überschüssige Spannung über ihn fallen gelassen wird, um die Schaltung zu schützen.
Wenn der Laststrom abnimmt, fällt die Spannung über den Widerstand ab, wodurch die Ausgangsspannung zunimmt.
Die Zenerdiode kompensiert durch Erhöhen des Zenerstroms (IZ), um eine stabile Spannung aufrechtzuerhalten.
Wenn der Laststrom zunimmt, steigt die Spannung über RS und hält den Ausgang stabil.
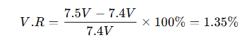
Der Prozentsatz der Spannungsregulation (%V.R) misst, wie gut der Regler die Ausgangsstabilität beibehält.

Wo:
VNL = No-Lad-Spannung
VFL = Volllastspannung
Beispielberechnung
Für einen Spannungsregler:
VNL = 7,5 V
Vfl = 7,4 V

Ein niedrigerer %V.R bedeutet eine bessere Spannungsstabilität.
Durch die Auswahl des rechten, den aktuell einschränkenden Widerstandes sorgt die stabile Leistung und die Bestandteil der Komponenten.
-Berechnen Sie für LEDs basierend auf Versorgungsspannung, LED -Spannung und Strom.
-Für Zenerdioden hilft ein Widerstand bei der Aufrechterhaltung einer konstanten Ausgangsspannung.
Stromlimitierende Widerstände sind das ultimative für den sicheren und effizienten Betrieb elektronischer Schaltungen.Sie schützen nicht nur empfindliche Komponenten vor den potenziell schädlichen Auswirkungen von übermäßigem Strom, sondern tragen auch zur allgemeinen Stabilität und Leistung elektronischer Systeme bei.Von einfachen LED -Setups bis hin zu komplexen Wechselrichterschaltkreisen kann die richtige Wahl des aktuell begrenzenden Widerstands die Differenz zwischen einem zuverlässigen Gerät und einem fehlgeschlagenen Projekt bedeuten.Durch das Verständnis der in diesem Artikel diskutierten Prinzipien können Sie fundierte Entscheidungen über die Auswahl der Widerstände und den Schaltungsdesign treffen und sicherstellen, dass ihre Elektronik nicht nur richtig funktioniert, sondern auch den Test der Zeit bestehen.
Eine aktuell einschränkende Sicherung schützt elektrische Systeme, indem der Strom schnell durchbricht, wenn der Strom die sicheren Werte überschreitet.Beim Erkennen eines Überstroms unterbricht es den Fluss innerhalb von Millisekunden und verhindert potenzielle Schäden durch Kurzschaltungen oder Überlastungen.Diese schnelle Reaktion begrenzt die Energie, die die Schäden und die Brandgefahr von Geräten verringern kann.
Eine stromlimitierende Diode, auch als konstanter Stromdiode bezeichnet, reguliert den Strom auf ein vorgegebenes maximales Niveau.Sobald dieses Level erreicht ist, hält die Diode trotz der Spannungs- oder Lastbedingungen einen stetigen, sicheren Strom beibehalten.Dies macht CLDs ideal, um empfindliche Komponenten in elektronischen Schaltungen zu schützen, indem übermäßiger Strom verhindern, was zu Schäden an Komponenten führen kann.
Ein stromlimitierender Widerstand steuert die Menge an Strom, die durch eine Schaltung fließt.Das Einfügen eines Widerstandes in Reihe mit einem Last wird einen Teil der Spannung fallen und begrenzt den Strom auf der Grundlage des Ohmschen Gesetzes.Diese einfache Methode ist zum Schutz von Komponenten erforderlich, hauptsächlich in LED -Fahren und grundlegenden elektronischen Schaltkreisen, um sicherzustellen, dass der Strom innerhalb sicherer Betriebsgrenzen bleibt, um Überhitzung und Beschädigung zu verhindern.
Der Zweck eines Fehlerstrombegrenzers besteht darin, den Strom in einer Schaltung während einer Fehlerbedingung wie einem Kurzschluss auf überschaubare Ebenen zu beschränken.Mit diesem Gerät kann das System die Stabilität und Kontinuität des Dienstes aufrechterhalten und gleichzeitig die Infrastruktur vor den zerstörerischen Auswirkungen hoher Verwerfungsströme schützen.Fehlerstrombegrenzer sind in Stromverteilungsnetzwerken ein Grab, was dazu beitragen, dass Gerätefehler verhindern und die Belastbarkeit des Systems verbessert werden.
Ein Strombegrenzerreaktor, auch als Induktor bezeichnet, wird in Stromversorgungssystemen verwendet, um den Spitzenstrom in Wechselstromschaltungen (Wechselstrom) zu verringern.Durch die Einführung der Induktivität in die Schaltung lehnt es plötzliche Änderungen des Stroms ab und glättet effektiv Spikes und Anstände.Diese Fähigkeit ist in industriellen Umgebungen, in denen große Motoren und andere induktive Lasten zu erheblichen Schwankungen des Stroms führen und damit das System schützen und die Gesamtleistungqualität verbessern können.
CAP CER 24PF 100V C0G/NP0 0805
CAP TANT 2.2UF 10% 6.3V 0603
IC TELECOM INTERFACE 256BGA
IC LED DRVR RGLTR PWM 1A TSOT25
A3977SEDT ALLEGRO
DAUL FIR FILTER
AD LFCSP16
IS61LPS25632A-200TQLI ISSI
NM24C02LMT8X FSC
CAP TANT 22UF 10% 10V 1206
CAP TANT 220UF 20% 6.3V 2917
TSC80251G1D-24CB TEMIC
TI BGA547





