Deutsch
Zeit: 2026/03/17
Durchsuchen: 36

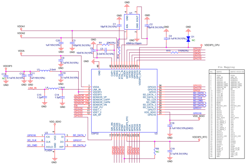
Die ESP32-PICO-D4 ist ein kompaktes System-in-Package (SiP)-Modul basierend auf dem ESP32-Chipsatz.Es integriert sowohl Wi-Fi- als auch Bluetooth-Konnektivität in einem einzigen kleinen Paket und ermöglicht Entwicklern so den Aufbau drahtloser Systeme mit weniger externen Komponenten.Das Modul misst etwa 7 mm × 7 mm × 1 mm, was dazu beiträgt, den benötigten Platz auf der Leiterplatte zu reduzieren und das Hardware-Design zu vereinfachen.
Im Inneren des Pakets kombiniert der ESP32-PICO-D4 den ESP32-Chip mit mehreren wichtigen Komponenten, darunter einem 4-MB-SPI-Flash-Speicher, einem Quarzoszillator, Filterkondensatoren und einer HF-Anpassungsschaltung.Dieser hohe Integrationsgrad verbessert die Designeffizienz und reduziert den Bedarf an zusätzlichen Teilen auf der Platine.
Das Modul nutzt die 40-nm-Ultra-Low-Power-Technologie von TSMC und bietet zuverlässige Leistung bei effizientem Stromverbrauch.Sein integriertes Design trägt auch dazu bei, die Lieferkette und den Herstellungsprozess zu vereinfachen.Wenn Sie Interesse am Kauf haben ESP32-PICO-D4Bitte kontaktieren Sie uns für Preise und Verfügbarkeit.

|
Pin |
Name |
Beschreibung |
|
1 |
VDDA |
Analoge Stromversorgung
Versorgung für interne Analogschaltkreise |
|
2 |
LNA_IN |
HF-Eingang/Ausgang
Anschluss für Antenne |
|
3 |
VDDA3P3 |
3,3V analog
Stromversorgung |
|
4 |
VDDA3P3 |
3,3V analog
Stromversorgung |
|
5 |
SENSOR_VP |
GPIO36, Eingang
Pin für ADC- und Sensorsignale |
|
6 |
SENSOR_CAPP |
Kapazitive Berührung
Sensoreingang |
|
7 |
SENSOR_CAPN |
Kapazitive Berührung
Sensoreingang |
|
8 |
SENSOR_VN |
GPIO39, ADC
Eingangspin |
|
9 |
DE |
Chip-Aktivierung
(Steuerstift zurücksetzen) |
|
10 |
IO34 |
GPIO34,
Nur-Eingangs-Pin |
|
11 |
IO35 |
GPIO35,
Nur-Eingangs-Pin |
|
12 |
IO32 |
GPIO32,
Allzweck-E/A |
|
13 |
IO33 |
GPIO33,
Allzweck-E/A |
|
14 |
IO25 |
GPIO25, DAC und
allgemeine E/A |
|
15 |
IO26 |
GPIO26, DAC und
allgemeine E/A |
|
16 |
IO27 |
GPIO27,
Allzweck-E/A |
|
17 |
IO14 |
GPIO14, SPI und
allgemeine E/A |
|
18 |
IO12 |
GPIO12, SPI und
allgemeine E/A |
|
19 |
VDD3P3_RTC |
RTC-Stromversorgung |
|
20 |
IO13 |
GPIO13,
Allzweck-E/A |
|
21 |
IO15 |
GPIO15, SPI und
allgemeine E/A |
|
22 |
IO2 |
GPIO2, booten
Konfiguration und allgemeine E/A |
|
23 |
IO0 |
GPIO0, Bootmodus
Auswahl |
|
24 |
IO4 |
GPIO4,
Allzweck-E/A |
|
25 |
IO16 |
GPIO16, UART und
allgemeine E/A |
|
26 |
VDD_SDIO |
Netzteil für
SDIO-Schnittstelle |
|
27 |
IO17 |
GPIO17, UART und
allgemeine E/A |
|
28 |
SD2 |
SPI-Flash-Daten
Stift |
|
29 |
SD3 |
SPI-Flash-Daten
Stift |
|
30 |
CMD |
SPI-Flash
Befehlspin |
|
31 |
CLK |
SPI-Flash-Uhr
Stift |
|
32 |
SD0 |
SPI-Flash-Daten
Stift |
|
33 |
SD1 |
SPI-Flash-Daten
Stift |
|
34 |
IO5 |
GPIO5, SPI und
allgemeine E/A |
|
35 |
IO18 |
GPIO18, SPI und
allgemeine E/A |
|
36 |
IO23 |
GPIO23, SPI und
allgemeine E/A |
|
37 |
VDD3P3_CPU |
CPU-Kernleistung
Versorgung |
|
38 |
IO19 |
GPIO19, SPI und
allgemeine E/A |
|
39 |
IO22 |
GPIO22, I²C und
allgemeine E/A |
|
40 |
U0RXD |
UART0 empfangen
Stift |
|
41 |
U0TXD |
UART0-Übertragung
Stift |
|
42 |
IO21 |
GPIO21, I²C und
allgemeine E/A |
|
43 |
VDDA |
Analoge Stromversorgung
Versorgung |
|
44 |
XTAL_N_NC |
Kristall
Minuspol des Oszillators (nicht intern verbunden) |
|
45 |
XTAL_P_NC |
Kristall
Oszillator-Pluspol (nicht intern verbunden) |
|
46 |
VDDA |
Analoge Stromversorgung
Versorgung |
|
47 |
CAP2_NC |
Intern
Kondensator-Pin (nicht extern angeschlossen) |
|
48 |
CAP1_NC |
Intern
Kondensator-Pin (nicht extern angeschlossen) |
|
49 |
GND |
Bodenpad für
elektrischer und thermischer Anschluss |




Das Funktionsblockdiagramm ESP32-PICO-D4 zeigt die wichtigsten internen Module, die im Chip integriert sind.Im Zentrum steht das Verarbeitungssystem, das einen oder zwei Xtensa® 32-Bit-LX6-Mikroprozessoren sowie ROM und SRAM für die Programmspeicherung und Datenverarbeitung umfasst.
Das Diagramm umfasst auch Wi-Fi- und Bluetooth-Subsysteme, bestehend aus Wi-Fi MAC, Wi-Fi-Basisband, Bluetooth-Controller und Bluetooth-Basisband.Diese Blöcke sind mit den HF-Sende- und Empfangsschaltkreisen, dem Taktgenerator, dem Schalter und dem Balun verbunden, um die Übertragung und den Empfang drahtloser Signale zu verwalten.
Mehrere Kommunikationsschnittstellen und Peripheriegeräte sind integriert, wie z. B. SPI, I²C, I²S, SDIO, UART, PWM, ADC, DAC, Timer und Berührungssensoren.Der Chip enthält außerdem kryptografische Hardwarebeschleuniger (AES, SHA, RSA, RNG) für die Sicherheit und ein RTC-Subsystem mit PMU und einem ULP-Coprozessor zur Unterstützung eines stromsparenden Betriebs.
Der ESP32-PICO-D4 enthält zwei stromsparende Xtensa® 32-Bit-LX6-Mikroprozessoren, die die Hauptverarbeitungsaufgaben des Systems übernehmen.Es umfasst 448 KB ROM zum Booten und für Kernsystemfunktionen sowie 520 KB On-Chip-SRAM zum Speichern von Programmanweisungen und Daten.Der Chip verfügt außerdem über RTC FAST-Speicher und RTC SLOW-Speicher, die dazu beitragen, bestimmte Vorgänge im Energiespar- oder Tiefschlafmodus aufrechtzuerhalten.Darüber hinaus verfügt das Gerät über 1 KBit eFuse-Speicher, der zum Speichern von Systemkonfigurationsdaten wie der MAC-Adresse und Sicherheitseinstellungen verwendet wird.
Der ESP32-PICO-D4 unterstützt externen QSPI-Flash und SRAM für zusätzliche Programm- und Datenspeicherung.Auf diese Speicher kann über einen Hochgeschwindigkeits-Cache zugegriffen werden, um die Systemleistung zu verbessern.Das Modul integriert bereits 4 MB SPI-Flash, der Firmware und Anwendungscode speichert.
Der ESP32-PICO-D4 integriert einen 40-MHz-Quarzoszillator, der das für interne Verarbeitungs- und drahtlose Kommunikationsfunktionen erforderliche Taktsignal bereitstellt.
Der Chip umfasst ein RTC-Subsystem und ein fortschrittliches Energieverwaltungssystem.Diese Funktionen ermöglichen es dem ESP32-PICO-D4, zwischen verschiedenen Energiemodi zu wechseln und so den Energieverbrauch zu senken und gleichzeitig wichtige Systemfunktionen aufrechtzuerhalten.
Der ESP32-PICO-D4 unterstützt mehrere Peripherieschnittstellen und Sensoranschlüsse für die Kommunikation mit externen Geräten.Einige Pins wie IO16, IO17, CMD, CLK, SD0 und SD1 sind für die interne Flash-Verbindung reserviert und werden im Allgemeinen nicht für andere Zwecke empfohlen.
|
Kategorie |
Parameter |
Spezifikation |
|
MCU |
Prozessor |
Xtensa®
Dual-Core 32-Bit LX6 |
|
Taktrate |
Bis zu 240 MHz |
|
|
ROM |
448 KB |
|
|
SRAM |
520 KB |
|
|
RTC-Speicher |
16 KB |
|
|
eFuse |
1 Kbit |
|
|
WLAN |
Standard |
802.11 b/g/n |
|
Datenrate |
Bis zu 150 Mbit/s |
|
|
Frequenzbereich |
2.412 – 2.484
GHz |
|
|
Funktionen |
A-MPDU, A-MSDU,
0,4 µs Schutzintervall |
|
|
Bluetooth |
Version |
Bluetooth v4.2
BR/EDR + BLE |
|
RF-Klasse |
Klasse 1, 2, 3 |
|
|
Empfindlichkeit |
-97 dBm (NZIF
Empfänger) |
|
|
Funktionen |
AFH (Adaptiv
Frequenzsprung) |
|
|
Audio-Codecs |
CVSD, SBC |
|
|
Erinnerung |
Blitz |
4 MB integriert
SPI-Flash |
|
Externer Support |
QSPI-Flash &
SRAM unterstützt |
|
|
Schnittstellen |
Digital
Schnittstellen |
SPI, I²C, I²S,
UART, SDIO |
|
Analog
Schnittstellen |
ADC, DAC |
|
|
Andere |
PWM, Touch
Sensor, RMT, Impulszähler, TWAI® (CAN) |
|
|
Hardware
Funktionen |
Sicherheit |
AES, SHA, RSA,
RNG |
|
On-Chip-Sensor |
Hallsensor |
|
|
Kristall
Oszillator |
40 MHz
integriert |
|
|
Macht |
Betrieb
Spannung |
3,0 V – 3,6 V |
|
Betrieb
Aktuell |
~80 mA (Durchschnitt) |
|
|
Mindestvorrat
Aktuell |
500mA
(empfohlene Quellfähigkeit) |
|
|
Temperatur |
Betrieb
Temperatur |
-40°C bis +85°C |
|
Körperlich |
Abmessungen |
7 mm × 7 mm ×
1,1 mm |
|
Pakettyp |
System-in-Paket
(SiP) |
|
|
Feuchtigkeit
Empfindlichkeit |
MSL-Level 3 |
|
|
Zertifizierungen |
Bluetooth
Zertifizierung |
BQB |
|
Kategorie |
Symbol |
Parameter |
Min |
Typ |
Max |
Einheit |
|
Absolute Bewertungen |
VDD33 |
Stromversorgung
Spannung |
-0,3 |
– |
3.6 |
V |
|
I_Ausgabe |
Kumulatives IO
Ausgangsstrom |
– |
– |
1100 |
mA |
|
|
T_store |
Lagerung
Temperatur |
-40 |
– |
85 |
°C |
|
|
Empfohlen
Bedingungen |
VDD33 |
Betrieb
Spannung |
3,0 |
3.3 |
3.6 |
V |
|
I_VDD |
Versorgungsstrom
Fähigkeit |
0,5 |
– |
– |
A |
|
|
T |
Betrieb
Temperatur |
-40 |
– |
85 |
°C |
|
|
Digital
Eingabe/Ausgabe |
C_IN |
Pin-Kapazität |
– |
2 |
– |
pF |
|
V_IH |
Input auf hohem Niveau
Spannung |
0,75×VDD |
– |
VDD+0,3 |
V |
|
|
V_IL |
Low-Level-Eingang
Spannung |
-0,3 |
– |
0,25×VDD |
V |
|
|
I_IH |
Input auf hohem Niveau
aktuell |
– |
– |
50 |
nA |
|
|
I_IL |
Low-Level-Eingang
aktuell |
– |
– |
50 |
nA |
|
|
V_OH |
Hohes Niveau
Ausgangsspannung |
0,8×VDD |
– |
– |
V |
|
|
V_OL |
Low-Level-Ausgang
Spannung |
– |
– |
0,1×VDD |
V |
|
|
Antriebsstärke |
I_OH |
Ausgabequelle
aktuell (CPU/RTC-Domäne) |
– |
40 |
– |
mA |
|
I_OH |
Ausgabequelle
aktuell (SDIO-Domäne) |
– |
20 |
– |
mA |
|
|
I_OL |
Ausgabesenke
aktuell |
– |
28 |
– |
mA |
|
|
Intern
Widerstände |
R_PU |
Hochziehen
Widerstand |
– |
45 |
– |
kΩ |
|
R_PD |
Herunterziehen
Widerstand |
– |
45 |
– |
kΩ |
|
|
Kontrollstift |
V_IL_nRST |
Low-Level-Eingang
(CHIP_PU) |
– |
– |
0,6 |
V |
|
Wi-Fi RF |
– |
Frequenzbereich |
2412 |
– |
2484 |
MHz |
|
– |
Ausgangsimpedanz |
– |
50 |
– |
Ω |
|
|
– |
Sendeleistung (72,2
Mbit/s) |
13 |
14 |
15 |
dBm |
|
|
– |
Sendeleistung (11b) |
19.5 |
20 |
20.5 |
dBm |
|
|
– |
RX-Empfindlichkeit
(1 Mbit/s DSSS) |
– |
-98 |
– |
dBm |
|
|
– |
RX-Empfindlichkeit
(54 Mbit/s OFDM) |
– |
-75 |
– |
dBm |
|
|
Bluetooth LE
(Empfänger) |
– |
Empfindlichkeit |
– |
-97 |
– |
dBm |
|
– |
Max erhielt
Signal |
– |
0 |
– |
dBm |
|
|
– |
Co-Kanal
Einmischung |
– |
+10 |
– |
dB |
|
|
Bluetooth LE
(Sender) |
– |
HF-Übertragung
Macht |
– |
0 |
– |
dBm |
|
– |
Leistungskontrolle
Bereich |
-12 |
– |
+9 |
dBm |
|
|
– |
Häufigkeit
Abweichung (Δf1avg) |
– |
265 |
– |
kHz |
|
|
– |
Driftrate |
– |
0,7 |
– |
kHz/50µs |

Um den ESP32-PICO-D4 nutzen zu können, müssen Sie zunächst eine stabile 3,3-V-Stromversorgung bereitstellen und für eine ordnungsgemäße Erdung sorgen.Da das Modul bereits Flash-Speicher, Quarzoszillator und HF-Komponenten integriert, sind nur minimale externe Teile erforderlich.Sie sollten den EN-Pin (Aktivierung) für die Reset-Steuerung anschließen und geeignete Entkopplungskondensatoren in der Nähe der Strompins verwenden, um einen stabilen Betrieb aufrechtzuerhalten.
Als nächstes verbinden Sie die erforderlichen GPIO-Pins basierend auf Ihrem Design.Der ESP32 unterstützt mehrere Schnittstellen wie UART, SPI, I²C und ADC und ermöglicht so eine flexible Kommunikation mit externen Geräten.Beachten Sie, dass einige Pins (wie IO16, IO17 und Flash-bezogene Pins) intern reserviert sind und nicht für allgemeine Zwecke verwendet werden sollten.
Für die Programmierung können Sie die UART-Schnittstelle zusammen mit Entwicklungstools wie ESP-IDF oder Arduino IDE verwenden.Durch die Konfiguration der Firmware können Sie Peripheriegeräte steuern, Kommunikationsprotokolle verwalten und die Leistung optimieren.Das richtige PCB-Layout, insbesondere für HF-Leiterbahnen und Erdung, ist ebenfalls wichtig, um einen zuverlässigen Betrieb zu gewährleisten.
• Smart-Home-Geräte
• IoT-Sensorknoten
• Tragbare Elektronik
• Drahtlose Steuerungssysteme
• Hausautomationssysteme
• Industrielle Überwachungssysteme
• Intelligente Beleuchtungssysteme
• Remote-Datenprotokollierungsgeräte
• Smart Meter usw.

|
Symbol |
Min
(mm) |
Nom
(mm) |
Max
(mm) |
Min
(Zoll) |
Nom
(Zoll) |
Max
(Zoll) |
|
A |
0,840 |
0,940 |
1.040 |
0,033 |
0,037 |
0,041 |
|
c |
0,220 |
0,260 |
0,300 |
0,009 |
0,010 |
0,012 |
|
D |
6.900 |
7.000 |
7.100 |
0,272 |
0,276 |
0,280 |
|
E |
6.900 |
7.000 |
7.100 |
0,272 |
0,276 |
0,280 |
|
D1 |
5.300 |
5.400 |
5.500 |
0,209 |
0,213 |
0,217 |
|
E1 |
5.300 |
5.400 |
5.500 |
0,209 |
0,213 |
0,217 |
|
H |
— |
0,300 |
— |
— |
0,012 |
— |
|
H1 |
— |
0,300 |
— |
— |
0,012 |
— |
|
L |
0,325 |
0,400 |
0,475 |
0,013 |
0,016 |
0,019 |
|
L1 |
0,000 |
0,075 |
0,150 |
0,000 |
0,003 |
0,006 |
|
e |
— |
0,500 |
— |
— |
0,020 |
— |
|
b |
0,200 |
0,250 |
0,300 |
0,008 |
0,010 |
0,012 |
Das ESP32-PICO-D4 ist ein leistungsstarkes Modul, das wesentliche drahtlose und Verarbeitungsfunktionen in einem einzigen Paket integriert.Seine Dual-Core-Verarbeitung, der integrierte Speicher, die umfangreiche Peripherieunterstützung und die fortschrittliche Energieverwaltung machen ihn zu einer vielseitigen Lösung für effizientes Embedded-Systemdesign.Die detaillierte Pinbelegung, Funktionsarchitektur und elektrischen Eigenschaften vermitteln ein klares Verständnis dafür, wie das Modul in tatsächlichen Anwendungen effektiv eingesetzt werden kann.Mit seiner geringen Größe, hohen Integration und zuverlässigen Leistung vereinfacht der ESP32-PICO-D4 die Entwicklung und behält gleichzeitig die Flexibilität und Skalierbarkeit für moderne elektronische Systeme bei.
Nein, ESP32-PICO-D4 ist eine kompakte SiP-Version von ESP32 mit integriertem Blitz, Quarz und HF-Komponenten.
Nein, es enthält bereits 4 MB SPI-Flash, sodass kein externer Flash erforderlich ist.
Ja, es verfügt über eine Dual-Core-Xtensa-LX6-CPU für Multitasking und bessere Leistung.
Es unterstützt C-, C++-, MicroPython- und Arduino-Umgebungen.
Ja, es unterstützt OTA-Firmware-Updates und ermöglicht so Remote-Software-Upgrades.
Der Stromverbrauch beträgt typischerweise etwa 80 mA, wobei der Verbrauch im Ruhemodus geringer ist.
Ja, WLAN-Funktionen können deaktiviert werden, um den Stromverbrauch zu senken.
Einige kompakte Boards und Module verwenden es, wie zum Beispiel ESP32-PICO-Kits und Mini-IoT-Boards.
Ja, es beinhaltet Hardware-Verschlüsselung (AES, RSA, SHA) für eine sichere Datenverarbeitung.
CAP CER 2.9PF 25V C0G/NP0 0201
CAP TANT 1UF 20% 25V 1411
IC SUPERVISOR 1 CHANNEL SOT23-3
ANALOG TO252
ST BGA
MB86C301B-MB1-E1 FUJI/PBF
BCD SOP-8
UPC3235GV-E1-A NEC
IC POE CNTRL 8 CHANNEL 24QFN
SI8710BD SILICONLA
BROADCOM BGA



