Deutsch
Zeit: 2025/02/13
Durchsuchen: 4,031

Der 1915 von Ralph Hartley entwickelte Hartley -Oszillator ist eine grundlegende elektronische Schaltung, die zur Erzeugung von sinusförmigen Wellenformen verwendet wird.Es stützt sich auf eine LC -Schaltung, eine Kombination von Induktoren und Kondensatoren, um Schwingungen zu etablieren und aufrechtzuerhalten.Aufgrund seines einfachen Designs, seiner Zuverlässigkeit und seiner Anpassungsfähigkeit bleibt es eine weit verbreitete Auswahl in Funkfrequenzanwendungen (RF).
Im Herzen des Hartley -Oszillators befindet sich seine LC -Schaltung, die die Schwingungsfrequenz bestimmt.Diese Frequenz hängt von den elektrischen Eigenschaften ihrer Induktoren und Kondensatoren ab.Die Schaltung besteht typischerweise aus einem einzelnen Induktor mit einem Mittellapfer und zwei Kondensatoren.Eine aktive Komponente - wie ein Transistor- oder Vakuumrohr - ist für die Verstärkung und Aufrechterhaltung der Schwingungen durch positive Rückmeldung verantwortlich.Dieses Feedback stellt sicher, dass ein Teil des Ausgangssignals als Eingang wieder in das System umgeleitet wird, sodass die Schwingungen auf unbestimmte Zeit fortgesetzt werden können.
Die Frequenz des Oszillators kann fein eingestellt werden, indem die Werte der Kondensatoren und des Induktors geändert werden, wodurch eine präzise Steuerung über das Ausgangssignal ermöglicht wird.Diese Flexibilität macht es für eine breite Palette von HF -Anwendungen geeignet, bei denen Frequenzstabilität und Abstimmbarkeit erforderlich sind.
Der Hartley -Oszillator stützt sich auf positives Feedback, um ein kontinuierliches oszillierendes Signal aufrechtzuerhalten.Im Kern verfügt es über einen resonanten LC -Schaltkreis, in dem Induktoren und Kondensatoren zusammenarbeiten, um Schwingungen mit einer bestimmten Frequenz zu etablieren.Diese Frequenz wird durch die Komponentenwerte und Resonanzeigenschaften des Schaltkreises bestimmt.Der zyklische Energieaustausch zwischen den Induktoren und den Kondensatoren erzeugt einen wechselnden Zustand mit hoher und niedriger Impedanz, was eine effiziente Energieübertragung im gesamten Stromkreis gewährleistet.
Damit der Oszillator funktioniert, wird ein Teil des Ausgangssignals wieder in den Eingang eingespeist.In Transistorbasis-Designs wird dieses Feedback aus dem Kollektor (oder dem Abfluss in Feld-Effekt-Transistoren) über einen angepassten Spulen- oder Rückkopplungstransformator zurück zur Basis (oder Gate) geleitet.Dieses Rückkopplungssignal muss genau mit dem Eingang phase ausgerichtet sein, um eine positive Verstärkung aufrechtzuerhalten, sodass die Schwingungen ohne externe Intervention fortgesetzt werden können.
Die aktive Komponente, typischerweise ein Transistor- oder Vakuumrohr, spielt eine Schlüsselrolle als Verstärker.Es stärkt das oszillatorische Signal und füllt die durch Widerstand und andere Schaltkreis -Ineffizienzen kontinuierlich verlorene Energie wieder auf.Die aktive Komponente hält eine stabile und anhaltende Oszillationsleistung bei, indem die Signale vom LC -Schaltkreis in die Rückkopplungsschleife integriert werden.
Wenn die Leistung zum ersten Mal angewendet wird, initiieren geringfügige Störungen - wie thermische Rauschen oder inhärente Schwankungen innerhalb des Stromkreises - die Oszillationen.Einmal begonnen, stabilisieren sich diese Schwingungen auf natürliche Weise bei der Resonanzfrequenz, die durch die Induktor- und Kondensatorwerte bestimmt werden.Externe Faktoren wie Temperaturänderungen oder Komponentenschwankungen können jedoch die Leistung beeinflussen.Um einen zuverlässigen Betrieb zu gewährleisten, sind eine sorgfältige Auswahl der Komponenten und eine präzise Schaltung erforderlich.
Durch das Ausgleich der Rückkopplungsstärke, der Komponentenwerte und der Schaltungsbedingungen erreicht der Hartley -Oszillator eine stetige und kontrollierbare Ausgabe und macht es zu einem wertvollen Tool in RF -Anwendungen, Signalerzeugung und Kommunikationssystemen.

Abbildung 2. Hartley-Oszillatorschaltung mit einem Op-Amp
In modernen elektronischen Konstruktionen wird häufig ein operativer Verstärker (OP-Amp) in Hartley-Oszillator-Schaltungen verwendet, um die Stabilität zu verbessern und die Kontrolle zu erhöhen.Dieser Ansatz liefert ein konsistentes Ausgangssignal durch Minimierung von Verstärkungsschwankungen, was in transistorbasierten Versionen ein Problem sein kann.Der Entwurfsprozess umfasst die Anpassung von Rückkopplungen und Eingangswiderständen, um sicherzustellen, dass der OP-Ampere einen ausreichenden Gewinn liefert, um Schwingungen über einen definierten Frequenzbereich aufrechtzuerhalten.
Bei auf Transistor basierenden Hartley-Oszillatoren hängt die Verstärkung von den Komponenten des Tankkreislaufs ab, was ihn anfälliger für Variationen der Komponentenwerte macht.Im Gegensatz dazu hält ein auf OP-Amamp basierender Design einen stetigen Gewinn bei, verbessert die Frequenzgenauigkeit und verringert unerwünschte Abweichungen.Die Rückkopplungsschleife in beiden Konfigurationen funktioniert ähnlich und erzeugt eine Sinuswelle.In der OP-Amp-Version stabilisiert sich der Verstärker jedoch das Signal und stellt einen gut regulierten Ausgang sicher.
Die Schwingungsfrequenz wird durch die Gleichung bestimmt:
FO = 1/(2π√leqc)
wobei Leq entweder l repräsentiert1 + L2 oder l1 + L2 + 2m Wenn die gegenseitige Induktivität (m) zwischen den Induktoren berücksichtigt wird.Oszillationen aktivieren und aufrechterhalten, den Verstärker des Verstärkers (av) muss mindestens gleich dem Induktivitätsverhältnis l sein l1/L2, mit weiteren Anpassungen zur Berücksichtigung der gegenseitigen Induktivität.
Zur Feinabstimmung der Frequenz des Oszillators ermöglicht ein variabler Kondensator in der Tankschaltung genaue Änderungen, wodurch die Schaltung für verschiedene Anwendungen anpassbar ist.Durch die sorgfältige Kalibrierung von Verstärkungs- und Frequenzeinstellungen erzielt der Hartley-Oszillator auf OP-AMP-Basis eine zuverlässige und stabile Oszillationsleistung, was es zu einer wertvollen Wahl für die Generstellung von Präzisionssignalen und RF-Anwendungen macht.

Abbildung 3..
Der Shunt-Fed-Hartley-Oszillator wurde entwickelt, um Hochfrequenzsignale mit verbesserter Stabilität und Frequenzgenauigkeit zu erzeugen.Im Gegensatz zu Standard -Hartley -Oszillator -Konfigurationen setzt dieser Entwurf einen Induktor parallel zu einem Kondensator und bildet eine resonante LC -Panzerschaltung.Dieses Setup hilft dabei, eine konsistente Schwingungsfrequenz aufrechtzuerhalten, was es zu einer bevorzugten Wahl für HF -Schaltungen, Signalgeneratoren und Kommunikationssysteme macht, bei denen eine genaue Frequenzsteuerung ein Muss ist.
In dieser Konfiguration wird die Resonanzfrequenz durch die Werte des Shunt -Induktors und des Kondensators bestimmt.Diese Anordnung unterstützt nicht nur Schwingungen effizient, sondern verbessert auch die Frequenzstabilität im Vergleich zu anderen Oszillatorkonstruktionen.Da die Shunt-Fed-Struktur die durch Komponentenverträglichkeiten verursachten Variationen verringert, bietet sie eine größere Treue bei der Aufrechterhaltung der beabsichtigten Häufigkeit gegenüber dem erweiterten Betrieb.
Aufgrund seiner Effizienz und des einfachen Designs wird der Shunt-Fed-Hartley-Oszillator häufig in Anwendungen verwendet, die stabile Hochfrequenzsignale mit minimaler Drift erfordern.Das Design ermöglicht auch eine einfachere Abstimmung und Anpassungen, sodass es für verschiedene Frequenzbereiche anpassbar ist.
Das Verständnis der Frequenzeigenschaften eines Hartley -Oszillators beinhaltet die Analyse der Reaktanzen innerhalb des Stromkreises.Insbesondere die induktiven Reaktanzen (z)1 und z2) und die kapazitive Reaktanz (z)3) spielen eine wichtige Rolle bei der Bildung der Rückkopplungsschleife, die Oszillationen unterstützt.
Durch die Einbeziehung dieser Reaktanzwerte in die Standard -Oszillator -Formel kann die Resonanzfrequenz genau berechnet werden.Diese Analyse zeigt, wie die Oszillatortheorie direkt im praktischen Schaltungsdesign angewendet wird.Beispielberechnungen unter Verwendung spezifischer Komponentenwerte unterstreichen die Wirksamkeit des Schaltkreises in tatsächlichen Anwendungen und verstärken seine Rolle bei der Erzeugung der Präzisionssignale.
Der Hartley -Oszillator wird häufig in elektronischen Systemen verwendet, die eine stabile und präzise Frequenzerzeugung erfordern.Die Fähigkeit, konsistente Schwingungen zu erzeugen, macht es zu einer Schlüsselkomponente in Funksendern, Empfängern und Signalgeneratoren.Diese Oszillatoren sind nützlich in der HF -Modulation und der Frequenzsynthese, wo sie dazu beitragen, Trägersignale für Kommunikationssysteme zu generieren und zu pflegen.

Abbildung 4. Funk- und Kommunikationssysteme
In Funkübertragung und EmpfangHartley -Oszillatoren werden verwendet, um Trägerfrequenzen zu erzeugen und die Frequenzumwandlung bei Superheterodyne -Empfängern zu unterstützen.Ihre stabile Frequenzausgabe wird zur Minimierung der Signalverzerrung und zur Gewährleistung einer klaren Kommunikation verwendet.
Sie spielen auch eine aktive Rolle bei Frequenzsynthesizern und Phasenschleifen (PLLS), bei denen sie stabile Referenzsignale für eine präzise Kanalauswahl und Synchronisation in modernen Kommunikationssystemen liefern.Diese Funktionen sind nützlich für Anwendungen wie drahtlose Kommunikation, Rundfunk und Satellitennavigation.

Abbildung 5. Signalgenerator
Hartley -Oszillatoren sind häufig in gefunden Signalgeneratoren, die ernsthaft zum Testen, Kalibrieren und Analysieren elektronischer Schaltkreise sind.Ihre zuverlässige Leistung sorgt für eine genaue Erzeugung der Wellenform und macht sie in Laboratorien, Fertigung und diagnostischen Geräten wertvoll.

Abbildung 6. RF -Verstärkung
Darüber hinaus verbessern diese Oszillatoren die Leistung von RF -Verstärkungs- und FiltersystemeVerbesserung der Effizienz von Radar-, drahtlosen Sendern und HF-Front-End-Modulen.Ihre Fähigkeit, die Frequenzstabilität aufrechtzuerhalten, hilft bei der Optimierung der Signalintegrität, die für Kommunikations- und Erfassungstechnologien mit hoher Leistung verwendet wird.
Durch die Bereitstellung stabiler und einstellbarer Frequenzausgaben bleibt der Hartley -Oszillator ein grundlegender Baustein in der modernen Elektronik, der Fortschritte bei der Kommunikation, Tests und Signalverarbeitungstechnologien unterstützt.
• Einfaches und effizientes Design: Der Hartley -Oszillator wird für sein einfaches und effizientes Design geschätzt und erfordert nur wenige passive Komponenten zusammen mit einem aktiven Verstärkungsgerät.Diese Einfachheit erleichtert es einfach, in HF- und Kommunikationsanwendungen eine beliebte Wahl zu erstellen, zu modifizieren und zu pflegen.
• Breiter Frequenzbereich: Eine seiner wichtigsten Stärken ist die Fähigkeit, über einen weiten Frequenzbereich zu arbeiten und gleichzeitig eine angemessene Stabilität aufrechtzuerhalten.Die Tuning-Flexibilität des Oszillators ermöglicht genaue Frequenzanpassungen durch Modifizierung der Induktor- oder Kondensatorwerte, wodurch sie für die Signalerzeugung, die Frequenzsynthese und die Modulationsaufgaben gut geeignet sind.
Trotz seiner Vorteile hat der Hartley -Oszillator Einschränkungen, die seine Leistung in bestimmten Anwendungen beeinflussen können.
• Frequenzinstabilität: Eine große Herausforderung ist die Frequenzinstabilität, die durch Temperaturänderungen, das Altern der Komponenten und die Variationen der Versorgungsspannung beeinflusst werden kann.Diese Faktoren können leichte Verschiebungen der Schwingungsfrequenz verursachen, die eine sorgfältige Auslegung und Abschirmung erfordern, um deren Auswirkungen zu minimieren.
• Niedrigere Leistung : Der Hartley-Oszillator hat in der Regel einen niedrigeren Leistungsausgang, wodurch er ohne zusätzliche Verstärkung für Hochleistungsübertragungsanwendungen weniger geeignet ist.Ein weiteres potenzielles Problem ist die Erzeugung unerwünschter Harmonischer, die zu Störungen und Signalverzerrungen führen kann.Um Signalreinheit zu erhalten, sind häufig Filter- und Feinabstimmungstechniken erforderlich, wodurch das Design Komplexität erhöht.
Während seiner weiten Erkundung bekräftigt der Hartley -Oszillator sein Vermächtnis als vielseitige und robuste Komponente im elektronischen Schaltungsdesign.Von seiner grundlegenden operativen Dynamik bis hin zu erweiterten Konfigurationen wie der Shunt-Fed-Version macht die Fähigkeit des Oszillators, eine präzise Frequenzsteuerung bereitzustellen, bei RF-Anwendungen und Signalerzeugung von unschätzbarem Wert.Trotz einiger Herausforderungen im Zusammenhang mit der Frequenzstabilität und der Leistung machen die Vorteile in Bezug auf Einfachheit und Abstimmung weiterhin eine bevorzugte Wahl für Funkübertragungen, Signalverarbeitung und Kommunikationssysteme.Wenn Sie sowohl seine Fähigkeiten als auch die Einschränkungen verstehen, können Sie den Hartley -Oszillator effektiv nutzen, um die sich entwickelnden Anforderungen moderner elektronischer Technologien zu erfüllen.
Eine Oszillatorschaltung ist in erster Linie ein Gerät, das ein kontinuierliches, periodisches elektrisches Signal über seinen Ausgang erzeugt, ohne einen externen periodischen Eingang zu erfordern.Es wird üblicherweise in Funksendern, Uhren, Computern und einer Vielzahl elektronischer Geräte verwendet, bei denen ein stabiles, wiederkehrendes Signal für den Betrieb erforderlich ist.
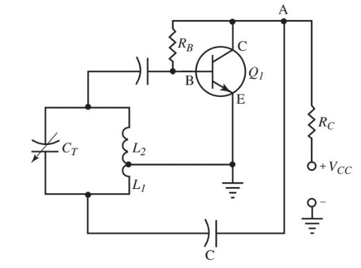
Der Hauptunterschied zwischen den Oszillatoren von Hartley und Colpitts liegt in ihrem frequenzbestimmenden Netzwerk- und Rückkopplungsmechanismus.Ein Hartley -Oszillator verwendet einen Induktor, der in zwei Teile unterteilt ist, die in Reihe oder parallel angeschlossen sind und die erforderliche Rückkopplung für die Schwingung durch einen Wasserhahn oder eine gegenseitige Induktivität bereitstellen.Im Gegensatz dazu verwendet ein Colpitts -Oszillator in seinem Feedback -Netzwerk zwei Kondensatoren, die in einer Konfiguration angeordnet sind, wobei eine Seite des Kondensatornetzwerks mit der Ausgabe verbunden ist, und die andere Seite mit der Eingabe des Verstärkungsgeräts.
Ein Hartley -Oszillator arbeitet mit dem Feedback eines angepassten Induktors oder einem Paar von Induktoren in Reihe, um Oszillationen zu erzeugen.Der Betrieb beginnt, wenn die DC -Versorgung den Schaltkreis energetisiert, und das aktive Element (typischerweise ein Transistor oder Röhrchen) verstärkt das in den elektronischen Komponenten vorhandene Rauschen und fördert ein Signal zum Aufbau.Mit dem Hahn des Induktors können ein Bruchteil der Ausgangsspannung wieder in den Eingang eingespeist werden und das Signal verstärkt, bis stabile, anhaltende Oszillationen mit einer Frequenz erreicht werden, die durch den Wert der Induktoren und alle angeschlossenen Kondensatoren bestimmt werden.
Das aktive Element eines Hartley -Oszillators ist typischerweise ein Transistor oder ein Vakuumrohr.Diese Komponente wird verwendet, da sie das Signal verstärkt und die erforderliche Rückkopplungsschleife erleichtert, die die Oszillationen unterstützt.
In einem Hartley-Oszillator wird normalerweise eine Konfiguration des Common-Emitter-Verstärkers verwendet, wenn das aktive Element ein Transistor ist.Dieses Setup bietet die Verstärkung, die der Oszillator erfordert, um das Rückkopplungssignal ausreichend zu verstärken, um kontinuierliche Schwingungen aufrechtzuerhalten.Das Common-Emitter-Setup wird aufgrund seiner Fähigkeit, eine hohe Verstärkung und Phasenverschiebung zu erzielen, die wichtigsten Merkmale für die Wirksamkeit der Rückkopplungsschleife in Oszillatorschaltungen vorgesehen.
CAP CER 9PF 16V C0G/NP0 01005
IC FPGA 295 I/O 484FBGA
IC MCU 16BIT 128KB FLASH 64TQFP
IC OPAMP GP 4 CIRCUIT 14TSSOP
IC RFID READER 134.2KHZ 16SOIC
TI SOT-353
ST BGA
PANASONIC MQFP44
IC GATE DRVR HIGH-SIDE 16MSOP
ZENTEL BGA




