Deutsch
Zeit: 2025/10/23
Durchsuchen: 1,185
Der 74LS04

74LS04
TI
MOT DIP-14
In Stock: 1392 pcs
ist einer der zuverlässigsten und am weitesten verbreiteten ICs der TTL-Logikfamilie (Transistor-Transistor-Logik) der 7400-Serie, der für seine Haltbarkeit und Leistung in digitalen Systemen bekannt ist.Als spezifisches Modell innerhalb der 74LS-Serie integriert es sechs unabhängige NOT-Gatter (Inverter), die eine saubere und genaue Signalumkehr ermöglichen.In diesem Artikel werden die Merkmale, Spezifikationen, Funktionsprinzipien, Schaltungsbeispiele und praktischen Anwendungen des Hex-Inverter-IC 74LS04 erläutert.

Der 74LS04

74LS04
TI
MOT DIP-14
In Stock: 1392 pcs
ist ein Hochgeschwindigkeits-Hex-Inverter-IC und ein spezifisches Modell innerhalb der 74LS-Serie, die selbst zur größeren TTL-Logikfamilie (Transistor-Transistor-Logik) der 7400-Serie gehört.Diese Familie ist weithin für ihre Zuverlässigkeit und Effizienz in der digitalen Elektronik bekannt.Der 74LS04 enthält sechs unabhängige NOT-Gatter, die jeweils zum Invertieren digitaler Signale ausgelegt sind und einen HIGH-Eingang in einen LOW-Ausgang und umgekehrt umwandeln.
Der 74LS04 wird mit einer standardmäßigen 5-V-Versorgung betrieben und bietet schnelle Schaltgeschwindigkeiten, geringen Stromverbrauch sowie TTL-kompatible Ein- und Ausgänge, was ihn ideal für die Wellenformung, Signalaufbereitung und das Design digitaler Systeme macht.Es ist eine grundlegende Komponente in Schaltkreisen, die eine Signalumkehr oder Zeitsteuerung erfordern.
Der 74LS04 ist in verschiedenen Gehäuseoptionen erhältlich – PDIP-14 für den Durchgangslocheinsatz, SOIC-14 und SOP (Narrow Surface Mount Package) für kompakte Layouts – und eignet sich sowohl für die Prototypenentwicklung als auch für die Massenproduktion.
Wenn Sie Interesse am Kauf des 74LS04 haben, kontaktieren Sie uns bitte bezüglich Preis und Verfügbarkeit.

|
Stift
NEIN. |
Symbol |
Beschreibung |
|
1 |
1A |
Eingabe von
Wechselrichter 1 |
|
2 |
1J |
Ausgabe von
Wechselrichter 1 |
|
3 |
2A |
Eingabe von
Wechselrichter 2 |
|
4 |
2J |
Ausgabe von
Wechselrichter 2 |
|
5 |
3A |
Eingabe von
Wechselrichter 3 |
|
6 |
3J |
Ausgabe von
Wechselrichter 3 |
|
7 |
GND |
Masse (0V
Referenz) |
|
8 |
4J |
Ausgabe von
Wechselrichter 4 |
|
9 |
4A |
Eingabe von
Wechselrichter 4 |
|
10 |
5J |
Ausgabe von
Wechselrichter 5 |
|
11 |
5A |
Eingabe von
Wechselrichter 5 |
|
12 |
6J |
Ausgabe von
Wechselrichter 6 |
|
13 |
6A |
Eingabe von
Wechselrichter 6 |
|
14 |
VCC |
Versorgungsspannung
(+5V typisch) |

|
Teil
Nr. (Logic-Familie) |
Liefern
Spannungsbereich |
Typisch/Wichtig
Spezifikationen |
Notizen
/ Kompatibilität |
|
SN74LS04N
|
4,75 V bis 5,25 V
|
IOL bis ~8 mA,
IOH ~-0,4 mA: Ausbreitungsverzögerung ~10-50 ns |
Standard „LS“
Version;Drop-In für viele TTL-Designs. |
SN74HC04
![]() |
2,0 V bis 6,0 V |
Ausgänge können
Quelle/Senke ~4 mA bei VCC=4,5 V;breiter Fanout (10 LS-TTL-Lasten) |
CMOS-Version:
Gut, wenn Sie eine geringere Leistung wünschen und mit CMOS-Schwellenwerten einverstanden sind.Pin-kompatibel
mit LS04. |
SN74HCT04
![]() |
4,5 V bis 5,5 V |
Eingabeschwellen
kompatibel mit TTL;typische t_PD ~13 ns |
Nützlich, wenn ja
TTL-Ausgänge verbinden, aber CMOS-Vorteile wünschen. |
|
SN74AC04 (AC/ACT-CMOS) |
2,0 V bis 6,0 V |
Sehr hohe Geschwindigkeit:
t_PD ~4-10 ns bei 5V;Ausgänge können ca. 24 mA liefern/senken |
Hohe Geschwindigkeit
Treiberversion.Könnte für eine einfache Logikinversion „übertrieben“ sein, funktioniert aber, wenn
Du brauchst Geschwindigkeit. |
HD74LS04P
![]() |
4,75 V bis 5,25 V
(LS-Familie) |
Ähnlich
SN74LS04-Spezifikationen |
Im Wesentlichen das Gleiche
Logikfamilie wie 74LS04
![]() |

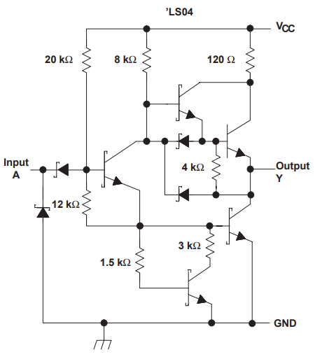
Das schematische Diagramm des 74LS04

74LS04
TI
MOT DIP-14
In Stock: 1392 pcs
zeigt die interne Transistor-Transistor-Logik (TTL)-Struktur eines einzelnen Inverter-Gates.Es zeigt, wie ein Eingangssignal invertiert wird, um einen entgegengesetzten Ausgang zu erzeugen.
In der Eingangsstufe bilden ein Multi-Emitter-Transistor und Widerstände (12 kΩ, 1,5 kΩ und 20 kΩ) einen Differenzverstärker, der erkennt, ob die Eingangsspannung ein logisches HIGH oder LOW darstellt.Die Diode am Eingang bietet Schutz und sorgt für die richtige Vorspannung.
Die mittlere Stufe verwendet Transistoren und Widerstände (8 kΩ, 4 kΩ und 3 kΩ), um das Signal zu verstärken und zu invertieren.Wenn der Eingang HIGH ist, schalten die Transistoren so, dass der Ausgangstransistor am Ende ausgeschaltet wird, wodurch ein HIGH-Ausgang erzeugt wird.Wenn umgekehrt der Eingang LOW ist, schalten die Transistoren den Ausgangstransistor ein und ziehen den Ausgang auf LOW.
Schließlich bietet die Ausgangsstufe mit einer Totem-Pole-Konfiguration (zwei Transistoren und ein 120-Ω-Widerstand) eine starke Source- und Sink-Fähigkeit, was ein schnelles Schalten und stabile Logikpegel ermöglicht.Dieser gesamte Aufbau macht den 74LS04 zu einem zuverlässigen Hochgeschwindigkeits-Inverter, der in digitalen Logikschaltungen verwendet wird.

Das Logikdiagramm des 74LS04

74LS04
TI
MOT DIP-14
In Stock: 1392 pcs
zeigt sechs unabhängige NICHT-Gatter oder Wechselrichter, die jeweils mit 1A bis 6A für Eingänge und 1Y bis 6Y für Ausgänge beschriftet sind.Jedes Gatter führt eine logische Invertierung durch, d. h. es gibt den entgegengesetzten Logikpegel seines Eingangs aus.Wenn ein Eingangssignal (A) hoch ist (logisch „1“), wird der entsprechende Ausgang (Y) niedrig (logisch „0“), und wenn der Eingang niedrig ist, wird der Ausgang hoch.
Diese Konfiguration ermöglicht es einem Chip, sechs separate Umkehrfunktionen zu verarbeiten, was ihn äußerst nützlich in digitalen Schaltkreisen macht, die Signalkonditionierung, Logiksteuerung oder Wellenformformung erfordern.Das einfache Design und die klare logische Beziehung – Y = ¬A – machen den 74LS04 zu einer unverzichtbaren Komponente in vielen elektronischen Systemen zur Implementierung logischer Negations- oder Signalinvertierungsaufgaben.
|
Parameter |
Spezifikation |
|
IC-Familie |
74LS (Low Power
Schottky-TTL) |
|
Gerätetyp |
Hex-Inverter (6
NICHT Tore) |
|
Logikfunktion |
Invertiert die Eingabe
Signal (Y = ¬A) |
|
Anzahl der Tore |
6 |
|
Anzahl der Eingänge
pro Tor |
1 |
|
Versorgungsspannung
(Vcc) |
4,75 V – 5,25 V |
|
Nominale Versorgung
Stromspannung |
5 V |
|
High-Level-Eingabe
Spannung (VIH) |
2,0 V (min.) |
|
Low-Level-Eingang
Spannung (VIL) |
0,8 V (maximal) |
|
Hohes Niveau
Ausgangsspannung (VOH) |
2,7 V (min.) |
|
Low-Level-Ausgabe
Spannung (VOL) |
0,5 V (maximal) |
|
Eingangsstrom
(Hoch) |
20 µA (maximal) |
|
Eingangsstrom
(Niedrig) |
–0,4 mA (max.) |
|
Ausgangsstrom
(Hoch) |
–0,4 mA |
|
Ausgangsstrom
(Niedrig) |
8mA |
|
Vermehrung
Verzögerungszeit |
8 ns (tPLH), 15
ns (tPHL) |
|
Leistung
Zerstreuung |
2 mW pro Gate |
|
Betrieb
Temperaturbereich |
0 °C – 70 °C |
|
Pakettypen |
DIP-14, SOIC-14,
TSSOP-14 |
• Sechs unabhängige NICHT-Tore: Der 74LS04

74LS04
TI
MOT DIP-14
In Stock: 1392 pcs
integriert sechs einzelne Wechselrichterschaltungen in einem einzigen Chip.Jedes Gatter führt eine logische Umkehrung durch und wandelt einen HIGH-Eingang in einen LOW-Ausgang und umgekehrt um, ideal für die Signalinvertierung und Wellenformformung.
• TTL-kompatible Ein- und Ausgänge: Entwickelt für die direkte Verbindung mit TTL-Schaltkreisen (Transistor-Transistor Logic), um eine nahtlose Kompatibilität mit anderen Logik-ICs der 74LS-Serie zu gewährleisten und Schnittstellenprobleme zu minimieren.
• Hochgeschwindigkeitsumschaltung:Verfügt über eine schnelle Ausbreitungsverzögerung von etwa 10 Nanosekunden und ermöglicht die Bewältigung hochfrequenter digitaler Operationen und schneller Signalübergänge.
• Geringer Stromverbrauch:Aufgebaut mit stromsparender Schottky-Transistor-Technologie (LS-TTL), die die Wärmeableitung reduziert und gleichzeitig eine zuverlässige Leistung im Dauerbetrieb beibehält.
• Großer Betriebsspannungsbereich:Wird normalerweise mit einer standardmäßigen +5-V-Versorgung (4,75-V-5,25-V-Bereich) betrieben und eignet sich daher ideal für die meisten 5-V-Logiksysteme und Mikrocontroller-basierten Schaltkreise.
• Hohe Störfestigkeit:Sorgt für eine stabile Leistung, indem es Spannungsschwankungen und elektrischen Störungen standhält, was für den Einsatz in industriellen und eingebetteten Steuerungsanwendungen von entscheidender Bedeutung ist.
• Mehrere Paketoptionen:Erhältlich in PDIP (Plastic Dual Inline Package), SOIC (Small Outline IC) und TSSOP (Thin Shrink Small Outline Package) für Durchsteck- und Oberflächenmontagedesigns.
• Zuverlässige Ausgangsantriebsfähigkeit:Jeder Wechselrichter kann Standard-TTL-Lasten und kleine Anzeigen wie LEDs ansteuern und unterstützt sowohl Signalisierung auf Logikebene als auch Lichtsteuerung.
• Betriebstemperaturbereich: Hält einen konstanten Betrieb von 0 °C bis +70 °C aufrecht, geeignet für kommerzielle und allgemeine elektronische Systeme.
• Hohe Fan-Out-Fähigkeit:Jeder Ausgang kann mehrere Eingänge anderer TTL-Geräte ansteuern, was eine flexible Schaltungserweiterung ohne zusätzliche Pufferung ermöglicht.
• Verbesserte Signalintegrität:Der Chip hilft bei der Wiederherstellung der Signalstärke und der Beseitigung von Rauschen durch saubere Invertierung, wodurch die Zuverlässigkeit langer oder verrauschter Logikpfade verbessert wird.
• Langlebiges und kostengünstiges Design:Bietet Langzeitstabilität, einfache Verfügbarkeit und Erschwinglichkeit und ist damit eine bevorzugte Wahl sowohl für Lern- als auch für professionelle digitale Logikanwendungen.
Der Hauptzweck des 74LS04

74LS04
TI
MOT DIP-14
In Stock: 1392 pcs
besteht darin, Logiksignale zu invertieren.Diese einfache, aber leistungsstarke Funktion ermöglicht den Einsatz in fast jedem digitalen System, in dem entgegengesetzte Logikzustände benötigt werden.Es trägt dazu bei, den korrekten Signalfluss zwischen Logikgeräten wie Mikrocontrollern, Prozessoren oder anderen TTL-basierten Schaltkreisen sicherzustellen.
Der 74LS04 wird häufig in RC-Oszillatorschaltungen zur Erzeugung von Rechtecksignalen verwendet.In Kombination mit Widerständen und Kondensatoren kann ein stabiler Takt oder Zeitimpuls erzeugt werden.Diese Signale sind in digitalen Zählern, LED-Blinkern und Zeitsteuerungen unerlässlich.
In digitalen Systemen nehmen Signale häufig elektrisches Rauschen auf.Der 74LS04 trägt zur Reinigung dieser verrauschten Signale bei, indem er sie in scharfe, klar definierte Rechteckwellen umformt.Dies verbessert die Leistung und verhindert Logikfehler in sensiblen elektronischen Anwendungen.
Dieser IC kann auch als Logikpegelwandler fungieren.Es passt die Spannungspegel zwischen verschiedenen Logikfamilien wie TTL und CMOS an und sorgt so für eine reibungslose Kommunikation zwischen Geräten, die in unterschiedlichen Spannungsbereichen arbeiten.
Der 74LS04 eignet sich perfekt für die Erstellung einfacher LED-Blinkschaltungen.Durch die Verbindung mit Timing-Komponenten wie Widerständen und Kondensatoren können Benutzer problemlos LED-Blinker oder Verzögerungsschaltungen für praktische Experimente und Prototypen bauen.
Der Wechselrichter kann Taktsignale erzeugen oder stabilisieren, die in Zählern, Flip-Flops und Mikrocontrollern verwendet werden.In Kombination mit anderen digitalen Komponenten unterstützt es auch die Frequenzteilung, was es bei Timing- und Sequenzierungsvorgängen wertvoll macht.
In einigen Anwendungen benötigen Signale zusätzliche Stärke, um LEDs, Relais oder andere Logikeingänge anzusteuern.Der 74LS04 kann als Puffer oder Treiber fungieren und den Signalstrom erhöhen, ohne den Logikzustand zu ändern.
Mechanische Schalter neigen dazu, beim Drücken mehrere schnelle Signale zu erzeugen.Der 74LS04 kann in Kombination mit Widerständen und Kondensatoren dabei helfen, diese unerwünschten Impulse herauszufiltern und so einen sauberen und stabilen digitalen Eingang zu gewährleisten.
Der IC wird auch häufig zur Signalinvertierung in Mikrocontroller-basierten Designs verwendet.Es stellt die Kompatibilität zwischen Eingangs-/Ausgangssignalen sicher und hilft Entwicklern bei der Verwaltung der Signalrichtung und -polarität in eingebetteten Systemen.

Diese Schaltung ist ein praktisches Anwendungsbeispiel des 74LS04

74LS04
TI
MOT DIP-14
In Stock: 1392 pcs
Hex Inverter IC, konzipiert als zweifarbiger LED-Blinker.Die Schaltung nutzt vier Inverter des ICs, um einen astabilen Multivibrator zu bilden, der ein Rechtecksignal erzeugt, das abwechselnd die roten und grünen LEDs ansteuert.Wenn Strom angelegt wird, arbeiten die ersten beiden Wechselrichter (IC-1 und IC-2) zusammen mit dem Kondensator (220 µF), dem variablen Widerstand (RP 1,5 kΩ) und dem Widerstand (R1 100 Ω) zusammen, um kontinuierliche Schwingungen zu erzeugen.Die Schwingungsfrequenz – die steuert, wie schnell die LEDs blinken – kann durch Ändern von RP angepasst werden.
Die nächsten beiden Inverter (IC-3 und IC-4) fungieren als Puffer und Ausgangstreiber und sorgen für eine stabile Umschaltung zwischen den beiden LEDs.Beim Umschalten des Ausgangs schalten sich die roten und grünen LEDs abwechselnd ein und aus, wodurch ein Blinkeffekt entsteht.Die Widerstände R2 und R3 (beide 390 Ω) begrenzen den Strom durch jede LED, um Schäden zu verhindern.Dieses einfache Design zeigt, wie der 74LS04 für Timing-, Oszillations- und visuelle Anzeigeanwendungen verwendet werden kann.

Diese Schaltung ist ein weiteres Anwendungsbeispiel des Hex-Inverter-IC 74LS04, der hier als Tongenerator oder Klangoszillator verwendet wird.Die 74LS04-Wechselrichter sind mit RC-Komponenten konfiguriert, um eine Oszillatorschaltung zu bilden, die ein Rechtecksignal erzeugt.Die Schwingfrequenz hängt vom Widerstand (110 kΩ) und den Kondensatoren (0,01 µF und 0,1 µF) ab, die um die Gates herum angeschlossen sind.Dieses Signal dient als Eingang für den Audioverstärker-IC BA328, der die Wellenform verstärkt und einen kleinen Lautsprecher ansteuert, um einen hörbaren Ton zu erzeugen.
Der 47-µF-Kondensator und der 1-kΩ-Widerstand in der Verstärkersektion stabilisieren das Signal und steuern die Amplitude des Tons, während der 5,6-kΩ-Widerstand die Verstärkung einstellt.Die +12-V-Stromversorgung versorgt beide ICs mit Strom, wobei kleine Kondensatoren zur Rauschfilterung und zum reibungslosen Betrieb dienen.Diese Schaltung zeigt, wie der 74LS04 in Verbindung mit einem Verstärker Frequenzsignale für Audioton- oder Summeranwendungen erzeugen kann.
|
Besonderheit |
74LS04
![]() |
74HC04 |
CD4069UB
![]() |
SN74H04 |
MC14049UB
|
|
Logikfamilie |
TTL (Low Power).
Schottky) |
CMOS (Hoch
Geschwindigkeit) |
CMOS
(Ungepuffert) |
Hochgeschwindigkeits-TTL |
CMOS (gepuffert) |
|
Anzahl der Tore |
6 (Hex-Inverter) |
6 (Hex-Inverter) |
6 (Hex-Inverter) |
6 (Hex-Inverter) |
6 (Hex-Inverter) |
|
Betrieb
Spannung (VCC) |
4,75 V – 5,25 V |
2V – 6V |
3V – 15V |
4,5 V – 5,5 V |
3V – 15V |
|
Eingabetyp |
TTL-kompatibel |
CMOS-kompatibel |
CMOS-kompatibel |
TTL-kompatibel |
CMOS-kompatibel |
|
Ausgabetyp |
TTL |
CMOS |
CMOS |
TTL |
CMOS |
|
Vermehrung
Verzögerung (typ.) |
~10 ns |
~8 ns |
~70 ns |
~7 ns |
~80 ns |
|
Leistung
Verbrauch |
Mäßig |
Niedrig |
Sehr niedrig |
Mäßig |
Sehr niedrig |
|
Fan-Out
Fähigkeit |
10 TTL-Ladungen |
20 CMOS-Ladungen |
10 CMOS-Ladungen |
10 TTL-Ladungen |
10 CMOS-Ladungen |
|
Paketoptionen |
DIP-14, SOIC-14 |
DIP-14, SOIC-14,
TSSOP |
DIP-14, SOIC-14 |
DIP-14 |
DIP-14, SOIC-14 |
|
Typisch
Anwendungen |
Logik-Wechselrichter,
Oszillatoren, LED-Blinker |
Hohe Geschwindigkeit
Logik, CMOS-Schnittstelle |
Analog/digital
Oszillatorschaltungen |
Schnelles Umschalten
Logik |
Analoge Wellenform
Formgebung, Signalumrichter |
|
Hersteller
Beispiele |
Texas
Instrumente, Fairchild |
Texas
Instrumente, NXP |
Texas
Instrumente, RCA |
Texas
Instrumente |
AN
Halbleiter, STMicroelectronics |

Das PDIP-Diagramm zeigt ein Durchsteckgehäuse, bei dem Stifte zum Löten durch die Leiterplatte ragen.Das Gehäuse verfügt normalerweise über 14 oder 16 Pins mit einem Abstand von 2,54 mm (0,1 Zoll).Die Gesamtbreite reicht von 6,10 mm bis 6,60 mm, während die Gesamtlänge je nach Pinanzahl variiert – bis zu etwa 19,69 mm bei einer 14-Pin-Version.
Die Seiten- und Endansichten definieren wichtige Toleranzen wie die Höhe der Sitzebene (max. 0,20 Zoll) und den Leitungsabstand (0,3 – 0,325 Zoll), um den ordnungsgemäßen Sitz der Buchse oder Leiterplatte sicherzustellen.Die kreisförmige Kerbe oben zeigt die Ausrichtung von Pin 1 an.Dieser Verpackungsstil ist für seine Haltbarkeit und einfache Prototypen- oder Steckbrettverwendung bekannt.

Die SOIC-Version ist eine oberflächenmontierbare Alternative für die kompakte, automatisierte Leiterplattenmontage.Es gibt ihn auch in 14- bis 24-Pin-Varianten mit einem viel niedrigeren Profil – die Gehäusehöhe beträgt maximal nur 2,00 mm und der Anschlussabstand beträgt 1,27 mm.Die Körperbreite liegt je nach Variante typischerweise zwischen 5,00 mm und 8,20 mm.
Es verfügt über gebogene Gull-Wing-Leitungen für die Oberflächenmontage, die in der Seitenansicht deutlich mit den Abmessungen der Sitzebene und der Messebene (z. B. 0,15 mm Nennhöhe von der Platine) dargestellt sind.Dieses Paket reduziert Größe und Gewicht bei gleichbleibender elektrischer Leistung und eignet sich daher für kompakte digitale Geräte.
• Hochgeschwindigkeitsbetrieb – Der 74LS04

74LS04
TI
MOT DIP-14
In Stock: 1392 pcs
bietet aufgrund seines TTL-Designs (Transistor-Transistor-Logik) eine schnelle Schaltleistung und ist somit ideal für digitale Hochgeschwindigkeitsschaltungen.
• Geringer Stromverbrauch – Im Vergleich zu früheren TTL-Familien verbraucht es weniger Strom und sorgt gleichzeitig für einen effizienten Betrieb.
• Großer Betriebsspannungsbereich – Typischer Betrieb bei etwa 4,75 V bis 5,25 V, kompatibel mit den meisten TTL-Logikschaltungen.
• Zuverlässige Logikinvertierung – Jedes der sechs NICHT-Gatter gewährleistet eine konsistente und genaue Signalinvertierung in digitalen Systemen.
• Kompakte Integration – Sechs Wechselrichter in einem Paket reduzieren den Bedarf an mehreren diskreten Komponenten und sparen Platz auf der Platine.
• Kompatibilität – Vollständig kompatibel mit anderen Logik-ICs der 74LS-Serie, was eine einfache Integration in bestehende Systeme ermöglicht.
• Haltbarkeit – Bietet gute Störfestigkeit und stabile Leistung auch bei moderaten Temperaturschwankungen.
• Begrenzter Ausgangsstrom – Nicht geeignet für den direkten Antrieb schwerer Lasten ohne zusätzliche Pufferung.
• Feste Logikfunktion – Führt nur eine Invertierung durch (KEINE Funktion), daher kann sie nicht für andere Logikoperationen umkonfiguriert werden.
• Spannungsabhängigkeit – Entwickelt für 5-V-TTL-Logik;Nicht ideal für Niederspannungssysteme (3,3 V oder weniger).
• Verlustleistung – Obwohl gering, verbraucht es dennoch mehr Strom als CMOS-Gegenstücke wie der 74HC04.
• Eingeschränkter Eingangsschutz – In Umgebungen mit hohem Rauschen oder hoher Spannung sind möglicherweise externe Widerstände oder Schutzschaltungen erforderlich.
Der 74LS04

74LS04
TI
MOT DIP-14
In Stock: 1392 pcs
wird von mehreren namhaften Halbleiterherstellern hergestellt, darunter Texas Instruments (SN74LS04), ON Semiconductor (ehemals Fairchild), NXP Semiconductors, STMicroelectronics und Toshiba (HD74LS04P

HD74LS04P
HIT
HIT DIP-14P
In Stock: 1899 pcs
).Diese Unternehmen bieten den IC in verschiedenen Gehäusetypen wie DIP-14-, SOIC-14- und SMD-Versionen an und gewährleisten so die Kompatibilität sowohl für industrielle als auch für Bildungsanwendungen.Andere Anbieter wie Motorola und National Semiconductor haben in der Vergangenheit ebenfalls gleichwertige Modelle angeboten, die die gleichen elektrischen Eigenschaften und die gleiche Logikleistung beibehalten.
Zusammenfassend lässt sich sagen, dass der Hex-Inverter-IC 74LS04

74LS04
TI
MOT DIP-14
In Stock: 1392 pcs
ein vielseitiges, effizientes und kostengünstiges Logikgerät ist, das weiterhin als Eckpfeiler der digitalen Elektronik dient.Als Teil der TTL-Logikfamilie der 7400-Serie bietet dieser IC zuverlässige Leistung in einer Vielzahl von Schaltkreisen – von der Signalverarbeitung und Wellenformerzeugung bis hin zu Timing- und Schnittstellenanwendungen.Seine Verfügbarkeit in mehreren Gehäusetypen macht es sowohl für die Prototypenfertigung als auch für die Großserienproduktion anpassbar, während sein Hochgeschwindigkeits- und stromsparendes Design dauerhafte Zuverlässigkeit gewährleistet.Ob für Bildungsprojekte oder Industriesysteme, der 74LS04 bleibt eine wesentliche Komponente für jeden Designer, der mit digitaler Logik arbeitet.
Der 74LS04 fungiert als Hex-Inverter, d. h. er invertiert das Eingangslogiksignal.Ein HIGH-Eingang wird zu LOW und ein LOW-Eingang wird zu HIGH, was ihn für die digitale Signalinvertierung und Logiksteuerung unerlässlich macht.
Der 74LS04 ist ein TTL-basierter (Transistor-Transistor Logic) Wechselrichter, während der 74HC04 CMOS-Technologie verwendet.Die HC-Version arbeitet mit geringerer Leistung und größeren Spannungsbereichen, während die LS-Version schnelleres Schalten und eine bessere Störfestigkeit in 5-V-Systemen bietet.
Ja.Der 74LS04 ist mit 5-V-Logikpegeln kompatibel, die von den meisten Mikrocontrollern wie Arduino verwendet werden.Für 3,3-V-Boards wie den Raspberry Pi werden jedoch Level-Shifting-Schaltungen empfohlen, um Spannungsunterschiede zu vermeiden.
Der 74LS04 enthält sechs unabhängige NICHT-Gatter, sodass ein Chip mehrere Inversionsvorgänge gleichzeitig verarbeiten kann.
Die typische Ausbreitungsverzögerung beträgt etwa 10 Nanosekunden, was ein schnelles und genaues Schalten für digitale Hochgeschwindigkeitsanwendungen ermöglicht.
Der 74LS04 arbeitet typischerweise mit +5 V DC, mit einem akzeptablen Bereich von 4,75 V bis 5,25 V, passend für die meisten TTL-Logiksysteme.
CAP CER 15PF 50V C0G/NP0 0402
CAP CER 10UF 10V Y5V 1206
CAP TANT 33UF 20% 20V 2917
IC REG BUCK ADJ 1A 16HTSSOP
RES SMD 2.7K OHM 0.5% 1/16W 0402
K6R4016V1C-TI15 SAMSUNG
CY7C146-55JCT CYPRESS
ALCOR QFP
MOTOROLA SSOP
QUALCOMM BGA
AKM QFP
FUJITSU QFP



