Deutsch
Zeit: 2024/05/22
Durchsuchen: 4,373

Abbildung 1: 7404 Integrated Circuit (IC)
Der 7404, auch bekannt als 7404 Hex -Wechselrichter, ist Mitglied der 7400 -Serie und fungiert als Hex -Wechselrichter.
Der 7404 Hex -Wechselrichter ist eine grundlegende Komponente innerhalb der 7400 -Serie von TTL -integrierten Schaltungen.Es ist in der digitalen Elektronik weithin für seine Fähigkeit erkannt, Eingangssignale zu invertieren.
Das IC enthält sechs unabhängige Wechselrichter mit jeweils einen Eingang und einen Ausgang.Es arbeitet innerhalb eines 5-Volt-Versorgungsspannungsbereichs und kann einen maximalen Strom von 40 Milliamps verarbeiten.Dies macht es aufgrund seiner Flexibilität für zahlreiche Anwendungen geeignet.Der 7404 ist in verschiedenen Paketen erhältlich, einschließlich des weit verbreiteten DIP (Dual Inline-Paket) und der kompakten SOIC-Pakete (Small Excrise Integrated Circuit).

Abbildung 2: 7404 Beschreibung der integrierten Schaltung
Die Anpassungsfähigkeit des 7404 Hex -Wechselrichters ermöglicht es in einer Vielzahl von Anwendungen.Es ist üblicherweise in grundlegenden Logikschaltungen, Pulsgeneratoren und Leistungsrversern zu finden.Die Zuverlässigkeit und der geringe Stromverbrauch sind für batteriebetriebene Geräte besonders vorteilhaft.
Der 7404 -Hex -Wechselrichter ist für seine Einfachheit und Benutzerfreundlichkeit bekannt.Es folgt einer Standard -Pinbelegung und arbeitet nahtlos mit einer einzigen 5 -V -Versorgung.Dies macht es unkompliziert, sich in verschiedene Schaltkreise zu integrieren, sei es für Breadboard -Prototypen oder DIY -Elektronikprojekte.
Spannungs- und Stromspezifikationen: Das IC arbeitet innerhalb eines 5-Volt-Versorgungsbereichs und kann bis zu 40 Milliampere Strom verwalten.
PIN -Konfiguration: Der 7404 verfügt über eine Standard -PIN -Konfiguration, die leicht zu verstehen und implementiert ist.Pin 1 ist der Eingang für den ersten Wechselrichter und Pin 2 ist seine Ausgabe.Dieses Muster wiederholt sich für die verbleibenden Wechselrichter.Pin 7 ist der Boden und Pin 14 ist das VCC (Netzteil).
Pakettypen: Der 7404 kann sowohl in DIP- als auch in SOIC-Paketen erhältlich sind und können zu verschiedenen Konstruktionsanforderungen entsprechen, von großflächigen Brotprojekten bis hin zu kompakten Leiterplatten.
Der 7404 HEX -Wechselrichter -IC verfügt über mehrere wichtige Spezifikationen, die für die Verwendung in verschiedenen elektronischen Anwendungen wichtig sind.Hier sind die detaillierten Spezifikationen:
Der 7404 IC kann einen maximalen Strom von 8 mA ausgeben.Diese Grenze stellt sicher, dass das IC Standard -TTL -Lasten effektiv anführen kann.
Das IC arbeitet innerhalb eines Versorgungsspannungsbereichs von 4,75 V bis 5,25 V.Dieser Bereich ist für die meisten TTL -Logikschaltungen optimal und bietet eine zuverlässige Leistung in diesem Spannungsfenster.
Der 7404 IC ist so ausgelegt, dass er innerhalb eines Temperaturbereichs von 0 ° C bis 70 ° C betrieben wird.Diese Sortiment macht es für die meisten Innenumgebungen und typische elektronische Setups geeignet.
Die maximale Versorgungsspannung, die dieser IC standhält, beträgt 7 V.Wenn Sie die Versorgungsspannung innerhalb dieser Grenze halten, wird die Beschädigung des IC verhindern.
Das IC hat eine maximale Anstiegszeit von 15 und eine maximale Sturzzeit von 15. Diese Zeiten zeigen, wie schnell der Ausgang die Zustände ändern kann, was für digitale Hochgeschwindigkeitsschaltungen wichtig ist.
Der Ausgangstyp des 7404 IC ist TTL (Transistor-Transistor-Logik).Dies gewährleistet die Kompatibilität mit anderen TTL -Komponenten und -kreisen.
Der 7404 IC ist bleitfrei und entspricht den modernen Umweltstandards und -vorschriften.

Abbildung 3: 7404 Hex -Wechselrichter -IC -Spezifikationen
Die Wahrheitstabelle für den 7404 Hex -Wechselrichter zeigt, wie die Eingangs- und Ausgangszustände für jeden seiner sechs Wechselrichter zusammenhängen.Ein Wechselrichter, auch als kein Gate bekannt, erzeugt eine Ausgabe, die das Gegenteil seiner Eingabe ist.
Wenn der Eingang (a) 0 ist, beträgt der Ausgang (y) 1.
Wenn der Eingang (a) 1 ist, beträgt der Ausgang (y) 0.
Dieses Muster ist über alle sechs Wechselrichter innerhalb des 7404 IC konsistent.Hier finden Sie eine detailliertere Panne:
Eingabe (a) = 0: Wenn Sie ein niedriges Signal (0) auf den Eingang anwenden, gibt der Wechselrichter ein hohes Signal aus (1).
Eingabe (a) = 1: Wenn Sie ein hohes Signal (1) auf den Eingang anwenden, gibt der Wechselrichter ein niedriges Signal (0) aus.
Wenn Sie mit dem IC 7404 arbeiten, können Sie erwarten, dass jeder Wechselrichter diese Input-Output-Beziehung konsequent folgt.
Wenn Sie beispielsweise eine einfache Logikschaltung erstellen und ein Signal invertieren müssen, verbinden Sie Ihr Eingangssignal an einen der Wechselrichter der 7404. Durch die Beobachtung der Wahrheitstabelle können Sie den Ausgang vorhersagen: Ein niedriger Eingangsergebnissein einer hohen Ausgabe und ein hoher Eingang führt zu einem niedrigen Ausgang.Dieses vorhersehbare Verhalten erleichtert die Fehlerbehebung und Verfeinerung Ihres Schaltungsdesigns.
Das 7404 IC hat spezifische maximale Bewertungen, die nicht überschritten werden sollten, um einen ordnungsgemäßen Betrieb zu gewährleisten und Schäden zu vermeiden.Hier sind die detaillierten Bewertungen:
Die maximale Versorgungsspannung für den 7404 IC beträgt 7 V.Stellen Sie beim Entwerfen Ihrer Schaltung sicher, dass die Versorgungsspannung diese Grenze nicht überschreitet, um eine Beschädigung des IC zu verhindern.
Die maximale Eingangsspannung für den 7404 IC beträgt 5,5 V.Dies bedeutet, dass jedes an die Eingangsstifte angelegte Signal diese Spannung nicht überschreiten sollte.
Der IC ist so ausgelegt, dass er innerhalb eines Temperaturbereichs von 0 ° C bis +70 ° C betrieben wird.Dieser Bereich eignet sich für die meisten Innenumgebungen und Standard -elektronischen Anwendungen.
Zur Aufbewahrung kann der 7404 IC den Temperaturen im Bereich von -65 ° C bis +150 ° C standhalten.Stellen Sie sicher, dass das IC in diesem Bereich gespeichert ist, um seine Funktionalität bei Nichtgebrauch aufrechtzuerhalten.
Der 7404 IC, auch als 7404 Hex -Wechselrichter bekannt, verfügt über eine einfache und intuitive Pinout -Konfiguration.Es enthält sechs unabhängige Wechselrichter mit jeweils mit einem festgelegten Eingangs- und Ausgangsstift.
PIN -Beschreibungen
1a (Eingabe): Schließen Sie diesen Pin für den ersten Wechselrichter mit dem Eingangssignal an.
1y (Ausgabe): Dieser Stift liefert den Ausgang für den ersten Wechselrichter.
2a (Eingabe): Schließen Sie diesen Pin für den zweiten Wechselrichter an das Eingangssignal an.
2y (Ausgabe): Dieser Pin liefert den Ausgang für den zweiten Wechselrichter.
3A (Eingabe): Schließen Sie diesen Pin für den dritten Wechselrichter mit dem Eingangssignal an.
3Y (Ausgabe): Dieser Stift liefert den Ausgang für den dritten Wechselrichter.
GND (Masse): Schließen Sie diesen Stift mit der Bodenreferenz der Schaltung an.
4Y (Ausgabe): Dieser Stift liefert den Ausgang für den vierten Wechselrichter.
4A (Eingang): Schließen Sie diesen Pin für den vierten Wechselrichter mit dem Eingangssignal an.
5Y (Ausgabe): Dieser Pin liefert den Ausgang für den fünften Wechselrichter.
5a (Eingabe): Schließen Sie diesen Pin für den fünften Wechselrichter an das Eingangssignal an.
6y (Ausgabe): Dieser Stift liefert den Ausgang für den sechsten Wechselrichter.
6a (Eingabe): Schließen Sie diesen Pin für den sechsten Wechselrichter an das Eingangssignal an.
VCC (Versorgungsspannung): Schließen Sie diesen Stift mit der positiven Versorgungsspannung (typischerweise +5 V) an.

Abbildung 4: PIN -Beschreibungen
Praktische Schritte zur Verwendung des 7404 IC
Stromversorgung: Beginnen Sie zunächst Pin 14 (VCC) mit der positiven Spannungsversorgung, typischerweise +5 V, und Pin 7 (GND) an den Boden Ihres Stromkreises.
Eingangsverbindungen: Schließen Sie die Eingangssignale an die jeweiligen Eingangsnadeln (1A, 2A, 3A, 4A, 5A, 6A) an, basierend auf Ihrem Schaltungsdesign.
Ausgangsverbindungen: Verwenden Sie die Ausgangsstifte (1y, 2y, 3y, 4y, 5y, 6y), um die invertierten Signale für Ihre Anwendung zu erhalten.
Testen und Validierung: Fahren Sie nach der Herstellung aller Anschlüsse den Stromkreis auf und verwenden Sie einen Multimeter oder einen Oszilloskop, um die Eingangs- und Ausgangssignale zu überprüfen, um den ordnungsgemäßen Betrieb jedes Wechselrichters zu gewährleisten.
Das 7404 IC enthält sechs unabhängige HEX -Wechselrichter in einem einzigen Paket, das mehrere Wechselrichter innerhalb eines Chips bereitstellt.Diese Integration ist nützlich für Designs, die mehrere Wechselrichter benötigen.

Abbildung 5: 7404 integrierter Schaltkreis
Direkte Schnittstelle mit CMOs, NMOs und TTL
Die Ausgänge der 7404 sind mit verschiedenen Logikfamilien wie CMOs, NMOs und TTL kompatibel.Dies macht es für die Integration in verschiedene Arten von Schaltungen ohne Kompatibilitätsprobleme vielseitig.
Der IC kann über einen weiten Spannungsbereich arbeiten, sodass sie verschiedene Spannungsniveaus innerhalb seiner angegebenen Grenzen aufnehmen kann.Diese Flexibilität hilft beim Entwerfen von Schaltkreisen, die möglicherweise unterschiedliche Netzteile erfordern.
Der 7404 ist so konzipiert, dass er zuverlässig über eine breite Palette von Betriebsbedingungen abfällt.Es behält Stabilität und Funktionalität in verschiedenen Umgebungen bei, um eine konsequente Leistung zu gewährleisten.
Der 7404 gilt als veraltet und wird als "nicht für neue Designs empfohlen" markiert.Dies bedeutet, dass es ratsam ist, modernere Alternativen für neue Projekte zu verwenden.
Für neue Designs wird die 74LS04 -Variante empfohlen.Der 74LS04 gehört zur Serie Low-Power Schottky (LS), die im Vergleich zum Standard 7404 einen besseren Stromverbrauch und -verbrauch bietet.
Integration: Wenn Sie an einem Design arbeiten, das mehrere Wechselrichter erfordert, kann der 7404 aufgrund seiner sechs integrierten Wechselrichter eine kompakte und effiziente Wahl sein.
Kompatibilität: Stellen Sie sicher, dass die Logikpegel in Ihrer Schaltung denen übereinstimmen, die von den 7404 -Ausgängen unterstützt werden, sodass sie für CMOS-, NMO- und TTL -Umgebungen geeignet sind.
Spannungsverwaltung: Überprüfen Sie die Spannungsanforderungen Ihres Schaltkreises und bestätigen Sie, dass sie in den Betriebsbereich des 7404 fallen, um eine ordnungsgemäße Funktionalität zu gewährleisten.
Umweltüberlegungen: Entwerfen Sie Ihren Schaltkreis so, dass sie innerhalb der vom 7404 unterstützten Umgebungsbedingungen arbeiten, um Instabilität zu vermeiden.
Entwurfsentscheidungen: Bevorzugen Sie für neue Projekte den 74LS04, um seine verbesserte Leistungseffizienz und -leistung zu nutzen, es sei denn, Sie haben spezifische Gründe für die Verwendung des 7404.
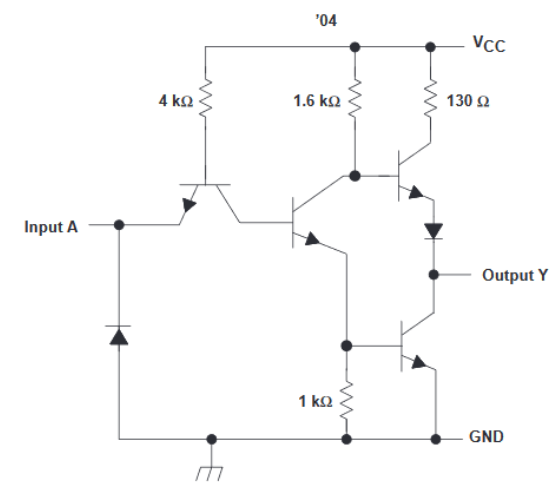
Das 7404 IC ist so konzipiert, dass sie als kein Gate fungiert und hauptsächlich die Eingangssignale invertiert.
Das 7404 IC enthält sechs unabhängige Tore, auch als Wechselrichter bezeichnet.Jeder Wechselrichter führt eine logische Inversion seines Eingangssignals durch.
Jeder Wechselrichter innerhalb des 7404 IC gibt die logische Ergänzung seiner Eingabe aus.Wenn der Eingang hoch ist (1), ist der Ausgang niedrig (0).Umgekehrt ist der Ausgang hoch (1), wenn der Eingang niedrig ist (0).
Das Not -Gate ist eine grundlegende Komponente in digitalen Logikschaltungen.Es dient als Baustein für die Schaffung komplexerer logischer Operationen und ist ein grundlegender Bestandteil der Gestaltung verschiedener elektronischer Systeme.
Der 7404 IC integriert sechs unabhängige Wechselrichter in ein Paket.Jeder Wechselrichter arbeitet separat und ermöglicht es, mehrere Inversionsaufgaben gleichzeitig innerhalb einer einzelnen Einheit auszuführen.
Das 7404 IC ist ein vielseitiges Gate, das für bis zu sechs verschiedene Signale eine logische Inversion bietet.Das einfache Design und die breite Palette von Verwendungsmöglichkeiten machen es zu einer Schlüsselkomponente in der digitalen Elektronik und erleichtern den Bau einer Vielzahl von Logikfunktionen und Schaltungen.

Abbildung 6: Funktion von 7404 IC
Der 7404 -Hex -Wechselrichter wird häufig verwendet, um Logik -Tore wie NAND und NOR -Tore zu erstellen.Durch die Kombination mehrerer Wechselrichter können komplexere logische Operationen konstruiert werden.
In einer Oszillatorschaltung erzeugt ein Sechseckwechselrichter 7404 eine periodische Wellenform.Die Signalinversionsfunktion wird verwendet, um einen oszillierenden Ausgang zu erzeugen, der die Takterzeugung und die Frequenzsynthese hilft.
In Stromversorgungsschaltungen verwaltet und steuert der 7404 Signale.Die Logikinversionsfunktion hilft bei der Aufrechterhaltung der stabilen Stromversorgungsbedingungen.
Der 7404 -Hex -Wechselrichter wird in LED -Treiberschaltungen verwendet, um LEDs zu steuern und zu fahren.Es kehrt Signale um, um das Umschalten von LEDs effizient zu verwalten.
Unterhaltungselektronik und andere Geräte verwenden den 7404 aufgrund seiner logischen Inversionsfunktionen häufig für verschiedene Steuerungs- und Signalverarbeitungsaufgaben.
In Speicher- und Speicheranwendungen unterstützt der 7404 die Signalkonditionierung und -steuerung, die digitale Speicher- und Abrufprozesse unterstützt.
Der 7404 -HEX -Wechselrichter wird in PCs und Notebooks für logische Signalverarbeitung, Schnittstellen und Steuerungsfunktionen angewendet.
Das unkomplizierte Design und die breite Kompatibilität machen den 7404 für viele digitale elektronische Anwendungen geeignet und bieten die erforderliche logische Inversion.
In Networking -Geräten wird der 7404 für die Signalkonditionierung, Logikverarbeitung und Schnittstelle innerhalb digitaler Kommunikationssysteme verwendet.
Der 7404 -HEX -Wechselrichter ist ein wesentlicher Bestandteil des digitalen Systemdesigns und unterstützt logische Operationen, Signalkonditionierung und Steuerungsfunktionen.

Abbildung 7: Anwendungen des 7404 Hex -Wechselrichters
Vorteile
Niedriger Stromverbrauch: Der 7404 -HEX -Wechselrichter verwendet minimale Leistung, wodurch er für verschiedene Anwendungen effizient ist.
Hohe Rauschimmunität: Dieser Wechselrichter filtert effektiv elektrisches Rauschen und gewährleistet eine stabile Leistung.
Einfach zu bedienen: Das unkomplizierte Design und die Funktionalität machen es einfach, sich in Schaltkreise zu integrieren.
Niedrige Kosten: Der 7404 ist erschwinglich, was für budgetbewusste Projekte von Vorteil ist.
Nachteile
Begrenzter Ausgangsstrom: Der 7404-HEX-Wechselrichter kann keine hohen Stromlasten anführen und seine Verwendung in bestimmten Anwendungen einschränken.
Begrenzter Spannungsbereich: Es arbeitet innerhalb eines schmalen Spannungsbereichs und begrenzt seine Flexibilität in verschiedenen Umgebungen.
Nicht für Hochgeschwindigkeitsanwendungen geeignet: Der 7404 ist nicht für Hochgeschwindigkeitsvorgänge ausgelegt, wodurch er für zeitkritische Aufgaben ungeeignet ist.
Der IC 7404, Teil der 74xxx -Serie, verfügt über mehrere Äquivalente und Ersetzungen, die ähnliche Funktionen ausführen.Zwei gemeinsame Alternativen sind die CD7404 und der 74LS14.
Der CD7404 ist ein funktionales Äquivalent zu dem 7404 mit sechs unabhängigen Wechselrichtern.Es ist im Allgemeinen mit Schaltungen kompatibel, die für den 7404 ausgelegt sind. Sie können es häufig als direkter Ersatz verwenden, ohne das Schaltungslayout zu ändern.
Der 74LS14 dient ebenfalls als Äquivalent zum 7404, enthält jedoch sechs Wechselrichter mit Schmitt-Trigger-Eingängen.Diese Schmitt-Trigger-Eingänge bieten eine bessere Rauschimmunität, was für bestimmte Anwendungen im Vergleich zum Standard 7404 von Vorteil sein kann.
PIN -Kompatibilität: Stellen Sie sicher, dass das Ersatz -IC die gleiche PIN -Konfiguration wie die 7404 hat, um Komplikationen während der Installation zu vermeiden.
Spannungs- und Strombewertungen: Stellen Sie sicher, dass das Ersatz -IC die Spannungs- und Stromanforderungen Ihres spezifischen Stromkreises verarbeiten kann.
Zusätzliche Funktionen: Abhängig von Ihrer Anwendung können zusätzliche Funktionen wie die Schmitt-Trigger-Eingänge in der 74LS14 Vorteile bieten, z. B. eine verbesserte Rauschimmunität.
Die 7404 integrierte Schaltung ist eine zuverlässige und wesentliche Komponente in der digitalen Elektronik.Es dient als grundlegendes Werkzeug für Schaltungsdesigner und Elektronikbegeisterte.Dieses Datenblatt hat wichtige Aspekte des 7404 -IC, einschließlich des Pinouts, des Pin -Diagramms und seiner Wahrheitstabelle, behandelt, die ein klares Verständnis des Betriebs liefern.Trotz technologischer Fortschritte bleibt der 7404 IC relevant und in verschiedenen digitalen Schaltungen weit verbreitet.
IC 7404 gehört zur 74xxx -Serie, und seine äquivalenten Modelle umfassen CD7404 und 74LS14.CD7404 ist funktional wie 7404, beide sind Sechs-Wege-Wechselrichter, dh sie enthalten sechs unabhängige Wechselrichter.
Im 7404 -Chip gibt es 6 Tore, und jedes nicht Gate nimmt einen Eingang und einen Ausgangsstift ein.Pin Nr. 14 ist die Stromversorgung (VCC) und Pin Nr. 7 ist der Erdungsdraht (Boden).Diese Ausgangsstifte können direkt mit CMOS-, NMO- und TTL -Schaltungen verbunden werden.Der 7404 unterstützt eine Vielzahl von Betriebsbedingungen und einen großen Betriebsspannungsbereich.
7400 IC (NAND GATEN): Dieses Paket enthält 4 NAND -Gates, jedes Gate verfügt über 2 Eingangsstifte und 1 Ausgangsstift.Nur wenn alle Eingänge gleichzeitig hoch sind, ist der Ausgang niedrig.
7402 IC (noch Gates): Dieses Paket enthält auch 4 noch Tore.Jedes Gate hat auch 2 Eingangsstifte und 1 Ausgangsstift.Wenn ein Eingang ein hohes Niveau ist, ist der Ausgang niedrig.
CAP CER 0.012UF 100V X7R 1206
CAP CER 18PF 50V S2H 1206
CAP TANT 68UF 20% 25V 2924
IC FPGA 448 I/O 668FCBGA
IC REG CTRLR BUCK 24TSSOP
IGBT Modules
M37560EFFP RENESAS
SYNCMOS QFP44
MICROCH DIP18
ADSP2185KST-133 ADI
HYINX TSSOP
ATM7021A ACTIONS




